EasyManua.ls Logo

Dahua DHI-ITC413-PW4D-Z1 - Page 14

Dahua DHI-ITC413-PW4D-Z1
43 pages
To Next Page IconTo Next Page
To Next Page IconTo Next Page
To Previous Page IconTo Previous Page
To Previous Page IconTo Previous Page
Loading...
Installation and Configuration Manual
11
The ambient brightness must be 10 lux or more. In night, cloudy, and other scenarios with insufficient light, you need to
add illuminators. If the license plate does not reflect light, we recommend you use white light. The license plate should
not be less than 140 pixels. Otherwise, the recognition effect might be affected.
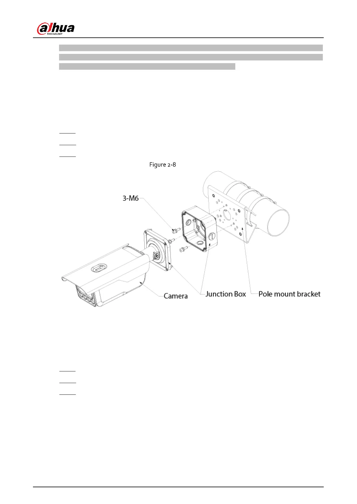
2.2.2.2 Pole Mount
Procedure
Step 1 Fix the pole mount bracket (sold separately) to the pole.
Step 2 Use 3 M6 screws to fix the junction box to the pole mount bracket.
Step 3 Tighten the screws on the end of the camera to fix it to the junction box.
Pole mount
2.2.2.3 Wall Mount
Procedure
Step 1 Drill holes on the wall according to the holes on the junction box.
Step 2 Use 3 ST6.3 expansion screws to fix junction box to the wall.
Step 3 Tighten the screws on the end of the camera to fix it to the junction box.

Related product manuals