EasyManua.ls Logo

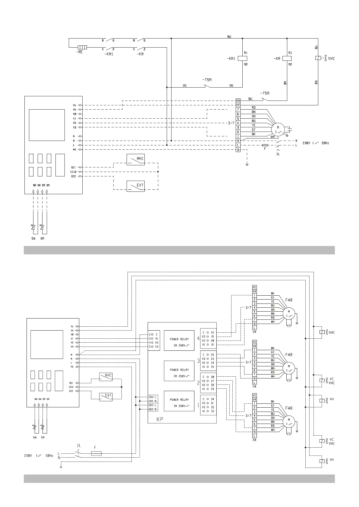
Daikin FWP02AATN6V3 - Wiring Diagrams - FWEC1 A Continuation and FWEC2 A-FWEC3 A; FWEC1 A Continued Schematic; FWEC2 A-FWEC3 A Schematics

Daikin FWP02AATN6V3
40 pages
Print Icon
To Next Page IconTo Next Page
To Next Page IconTo Next Page
To Previous Page IconTo Previous Page
To Previous Page IconTo Previous Page
Loading...
9
FWEC1A
FWEC1A
9

Related product manuals