EasyManua.ls Logo

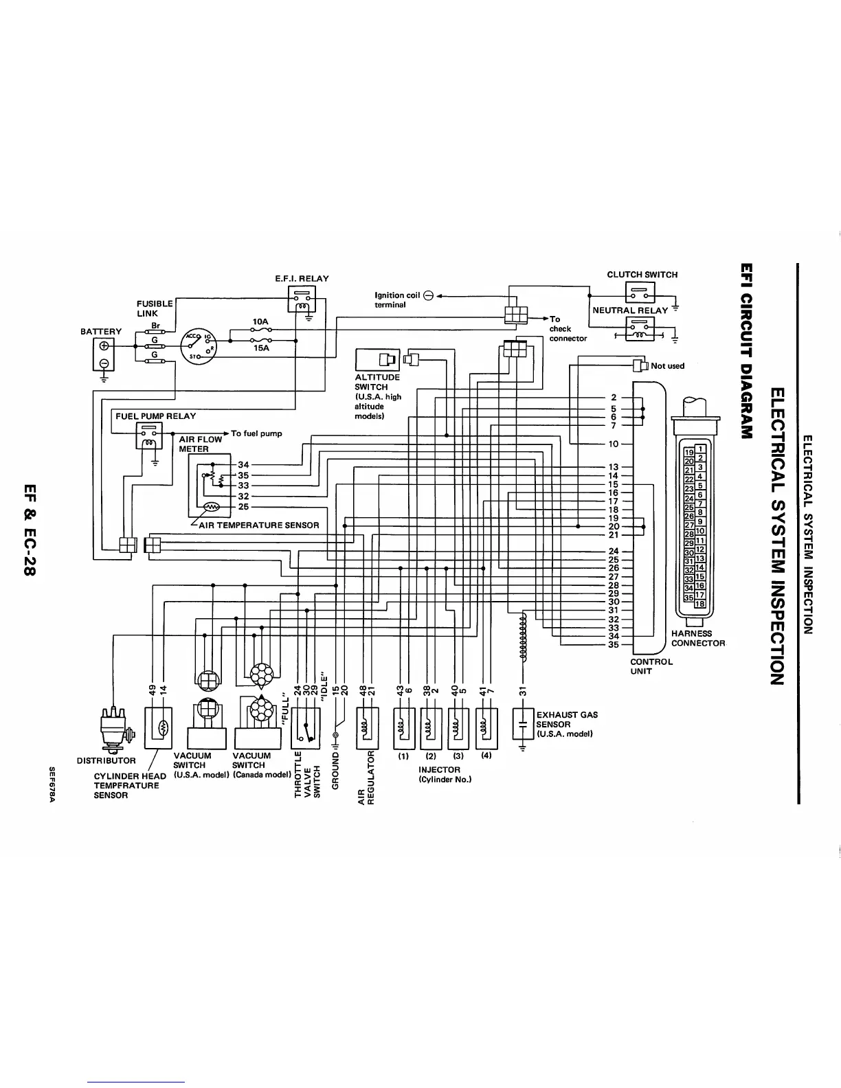
Datsun 200SX - Electrical System Inspection

Datsun 200SX
569 pages
Print Icon
To Next Page IconTo Next Page
To Next Page IconTo Next Page
To Previous Page IconTo Previous Page
To Previous Page IconTo Previous Page
Loading...