EasyManua.ls Logo

Davey ProMatic MPS Series - Page 33

Davey ProMatic MPS Series
76 pages
Print Icon
To Next Page IconTo Next Page
To Next Page IconTo Next Page
To Previous Page IconTo Previous Page
To Previous Page IconTo Previous Page
Loading...
33
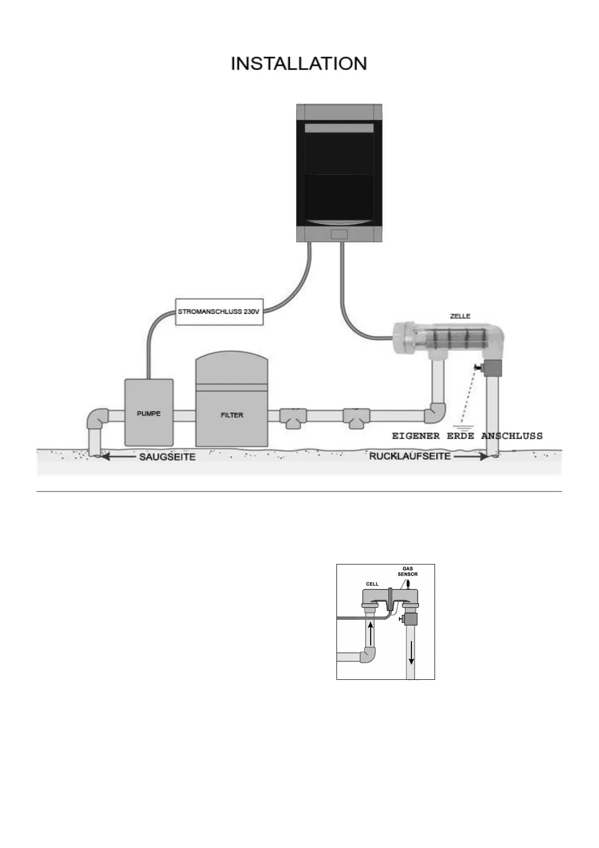
MPS50CE Zelle

Table of Contents

Related product manuals