EasyManua.ls Logo

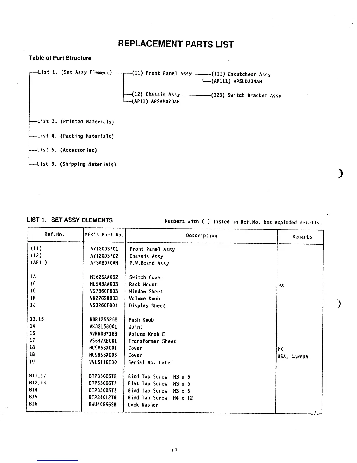
dbx 120X-DS - Replacement Parts List; Set Assembly Elements

dbx 120X-DS
22 pages
Print Icon
To Next Page IconTo Next Page
To Next Page IconTo Next Page
To Previous Page IconTo Previous Page
To Previous Page IconTo Previous Page
Loading...

Related product manuals