EasyManua.ls Logo

DCA Z1J-FF03-13 - Page 6

Default Icon
7 pages
Print Icon
To Next Page IconTo Next Page
To Next Page IconTo Next Page
To Previous Page IconTo Previous Page
To Previous Page IconTo Previous Page
Loading...
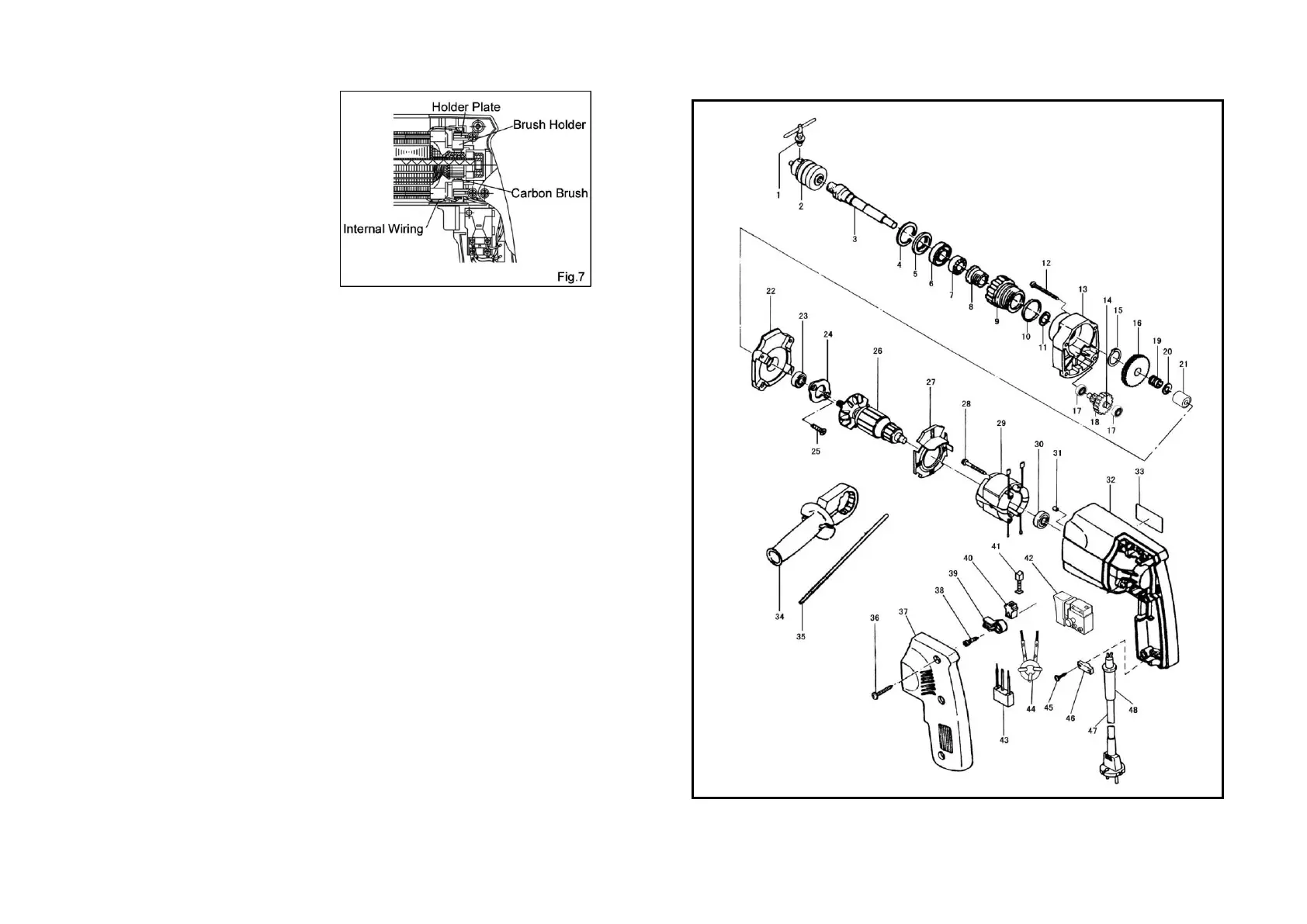
Remove the handle cover by
loosening the screws on it with a
screwdriver, and remove the holder
plate. Pull out the brush holder and
disconnect the wire connecting to
the stator, then remove the worn
out carbon brushes and replace
new ones. Replace the brush
holder and the holder plate, and
then reinstall the handle cover by tightening the screws. (Fig. 7)
CAUTION:
Carefully ascertain that the internal wiring and so on are located at their regular
positions and that there is no possibility of the rotary part (armature) being
contacted by the internal wiring or other items.
Be careful not let the internal wiring be caught in it to avoid the risk of electric
shock when reinstalling the handle cover.
To maintain product SAFETY and RELIABILITY, repairs, any other maintenance
or adjustment should be performed by authorized service centers, always using
original replacement parts.
if the supply cord of this power tool is damaged, it must be replaced by a specially
prepared cord available through the service organization.
Service center:
ZHENGDA TOOLS [M] SDN BHD
No. 18-22, Jalan Haji Abdullah Sg.Abong , 84000 Muar , Johor. W. Malaysia
-9- -10-