EasyManua.ls Logo

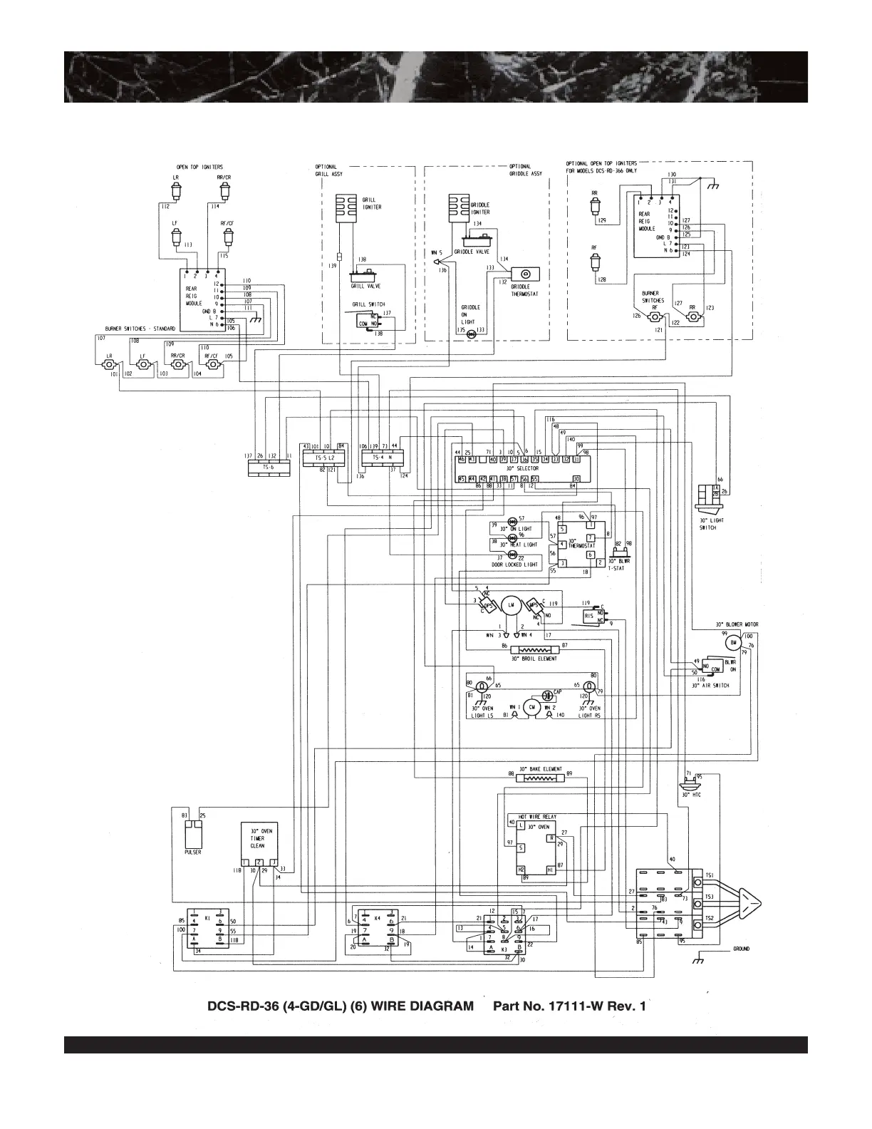
DCS RD 486 GD - RD 36 WIRING DIAGRAM

DCS RD 486 GD
38 pages
Print Icon
To Next Page IconTo Next Page
To Next Page IconTo Next Page
To Previous Page IconTo Previous Page
To Previous Page IconTo Previous Page
Loading...
33
RD 36 WIRING DIAGRAM

Related product manuals