EasyManua.ls Logo

Dea 202 E - Page 33

Dea 202 E
Print Icon
To Next Page IconTo Next Page
To Next Page IconTo Next Page
To Previous Page IconTo Previous Page
To Previous Page IconTo Previous Page
Loading...
R
202 E
illustrazioni, pictures, illustrations,
ilustraciones, ilustrações
31
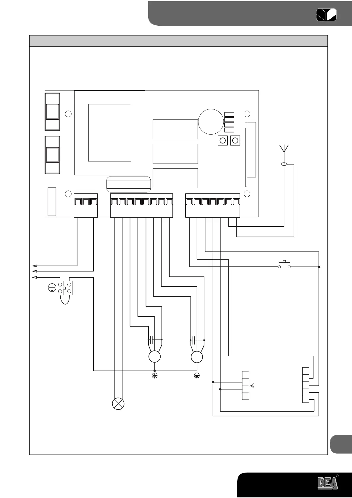
Schema elettrico - Wiring Diagram - Schéma électrique - Esquema eléctrico - Esquema eléctrico
1
2
TX
ANTENNA
ANTENNE
AERIAL
ANTENA
ANTENA
INTERRUTTORE ONNIPOLARE
INTERRUPTEUR OMNIPOLAIRE
OMNIPOLAR CIRCUIT BRAKER
INTERRUPTOR OMNIPOLAR
INTERRUPTOR OMNIPOLAR
LAMPEGGIANTE 230 V a.c. 40W max 50 Hz
CLIGNOTEUR 230 V a.c. 40W max 50 Hz
FLASHING LIGHT 230 V a.c. 40W max 50 Hz
LAMPARA INTERMIT. 230 V a.c. 40W max 50 Hz
PISCA - PISCA 230 V a.c. 40W max 50 Hz
2x1,5 mm²
M
3x1,5 mm²
N.O.APRE
2
3
RX
1
4
5
N.C.
FOTOCELLULA art:104/105
PHOTOCELLULE art:104/105
PHOTOCELL item:104/105
FOTOCELLULA art:104/105
FOTOCELULA art:104/105
2x0,5 mm²
START/APRE
START/OUVRE
START/OPEN
START/ABRE
START/ABRE
M
3x1,5 mm²
3x1,5mm²
2x0,5 mm²
12
345678
910
11 12 13 14 15 16
17
F2
F1
SET
SEL
PROG
TEMPI
FORZA
RADIO
F
N
LAMP
LAMP
APRE
COM
CHIUDE
APRE
COM
CHIUDE
START
FOTO
COM
24 Vaux
24 Vaux
RG 58

Table of Contents

Other manuals for Dea 202 E

Related product manuals