EasyManua.ls Logo

Dea 220H - Page 41

Dea 220H
88 pages
Go to English
To Next Page IconTo Next Page
To Next Page IconTo Next Page
To Previous Page IconTo Previous Page
To Previous Page IconTo Previous Page
Loading...
39
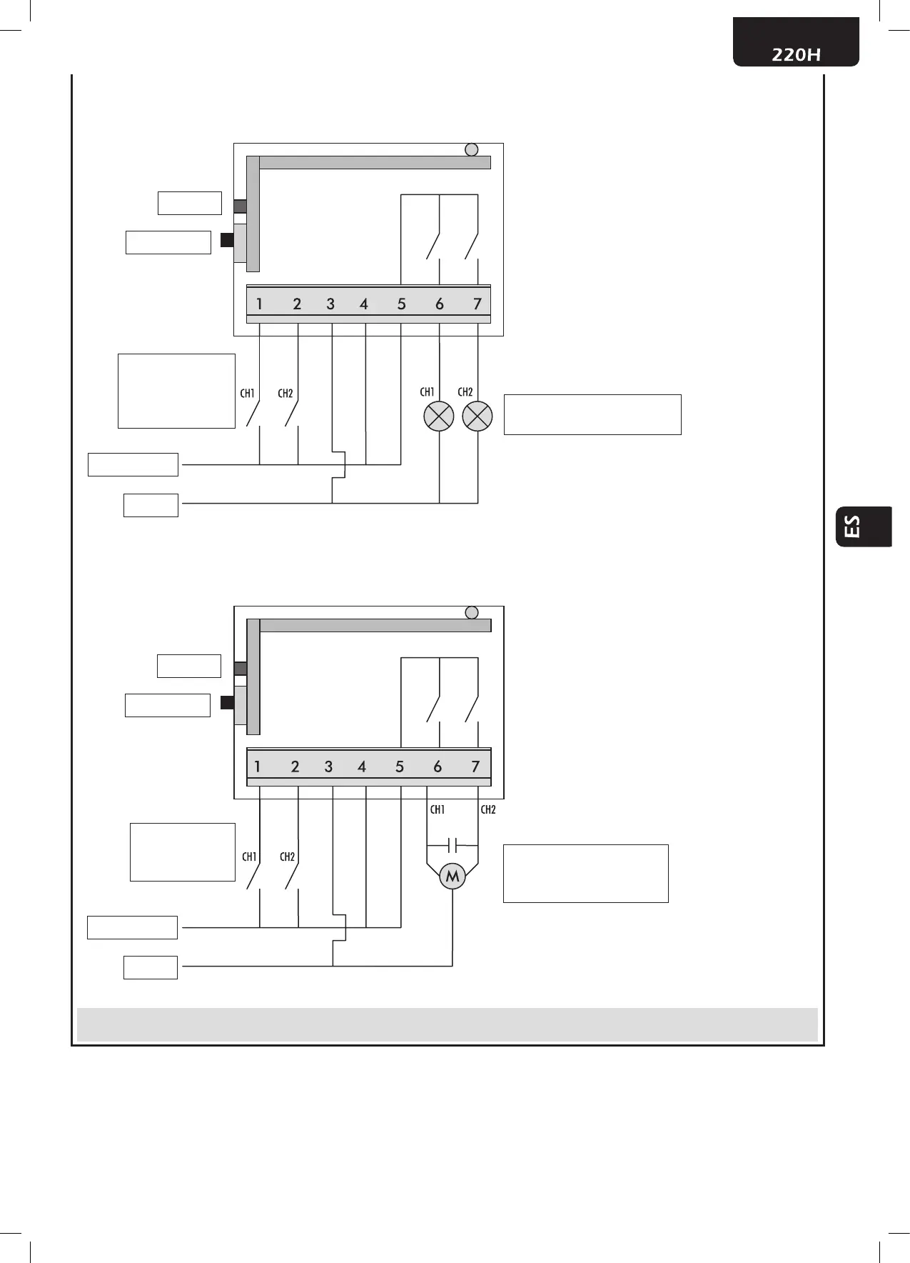
Esquema 1. Indicaciones esquemáticas para controlar dos
cargas independientes, como por ejemplo 2 bombillas
Cableados:
1 – entrada de control local ch.1
(activa cuando se conecta a 4)
2 – entrada de control local ch.2
(activa cuando se conecta a 4)
3 – entrada alimentación (neutro o ”–“)
4 – entrada alimentación (fase o “+”)
5 – común contacto relé
6 – contacto n.o. salida canal 1
7 – contacto n.o. salida canal 2
Entradas locales:
- 2 interruptores
o
- 2 pulsantes
2 cargas resistivas 230V ~
1250W Max cada una
Fase 230V ~
Led DL1
Pulsante P1
Neutro
Esquema 2. Indicaciones esquemáticas para controlar
un motore asincrono monofase
Cableados:
1 – entrada de control local ch.1
(activa cuando se conecta a 4)
2 – entrada de control local ch.2
(activa cuando se conecta a 4)
3 – entrada alimentación (neutro o ”–“)
4 – entrada alimentación (fase o “+”)
5 – común contacto relé
6 – contacto n.o. salida canal 1
7 – contacto n.o. salida canal 2
Entradas de
comando local:
- 2 pulsantes
Motores 230V ~
asincrono monofase
Max 500W
Fase 230V ~
Led DL1
Pulsante P1
Neutro
ATENCIÓN
as e g ú r e s e d e q u e l a s c o n e x I o n e s s e a n c o r r e c tas a n t e s d e c o n e c ta r e l m ó d u l o : u n a c o n e x I ó n I n c o r r e c ta p u e d e
c a u s a r d a ñ o s e n e l e q u I p o y g e n e r a r u n a a m e n a z a a l a s e g u r I d a d p e r s o n a l .

Related product manuals