EasyManua.ls Logo

Dea LIVI 5/24NET/F - Page 149

Dea LIVI 5/24NET/F
180 pages
Go to English
To Next Page IconTo Next Page
To Next Page IconTo Next Page
To Previous Page IconTo Previous Page
To Previous Page IconTo Previous Page
Loading...
147

2
1
9 10 11 12
13 14
15 16
17
18
19
20
21
22
23
24
25
26
27
28
30 2932 31
3 4 5 6 7 8
F2F1
34 33
WL/FL24V
NET_EXP
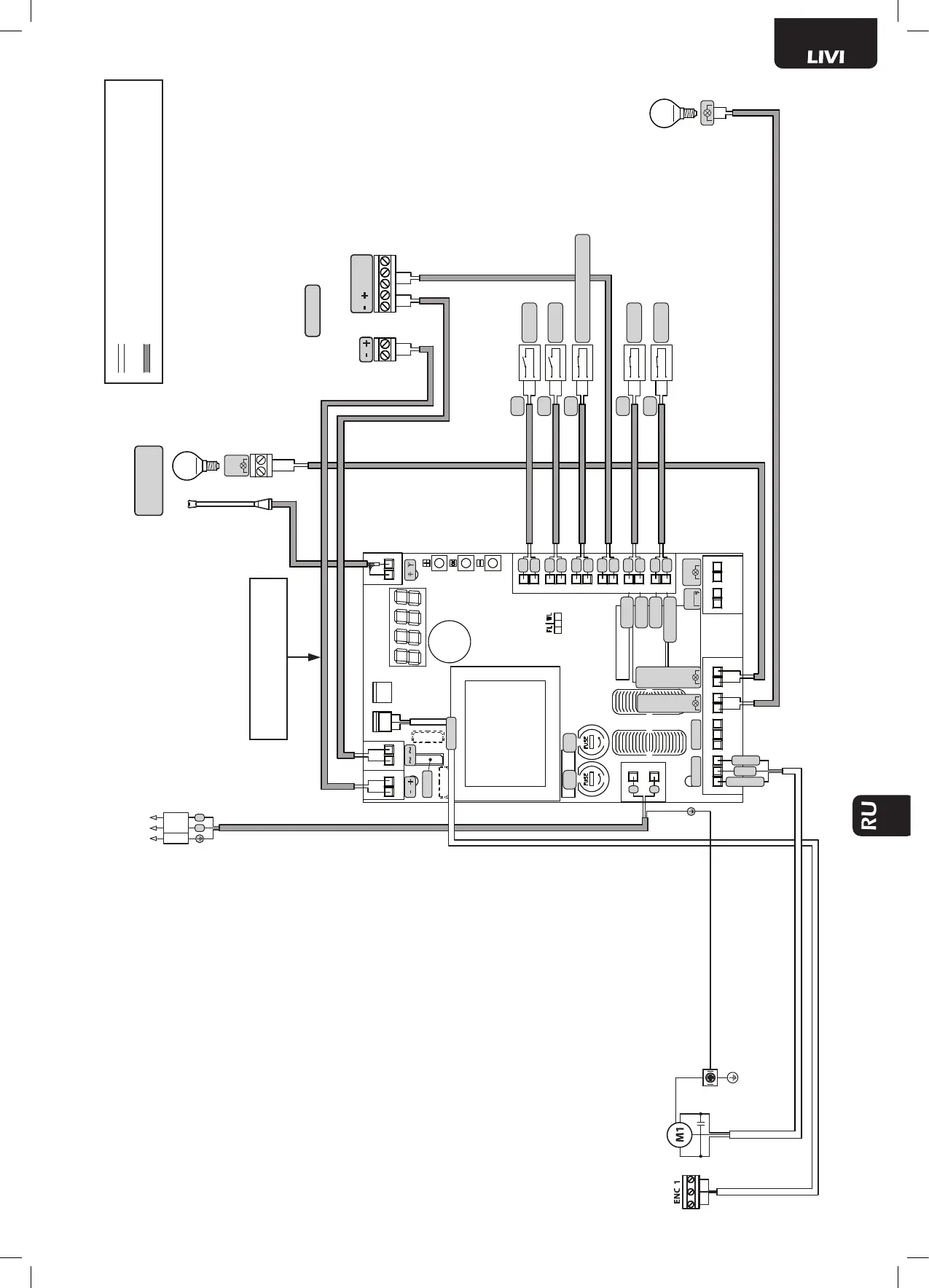
ПРЕДУПРЕЖДЕНИЕ
ЗАМОК
СВЕТОВОЙ СИГНАЛ
230V
ПРИВОД 1 ПРИВОД 2
ВНУТРЕННЯЯ ПРОВОДКА, ПРЕДУСМОТРЕНН. ФАБРИКОЙ
ВНЕШНЯЯ ЭЛЕКТРОПРОВОДКА, ПРЕДУСМОТРЕН. УСТАНОВЩИКОМ
N.O.
N.O.
PED
Н.З.
FCA1
Н.З.
RG58
Н.З.
START
FCC1
TX RX
PHOTO 1
СИГНАЛЬНАЯ ЛАМПОЧКА
"ВОРОТА ОТКРЫТЫ"
230В МАКС 150 ВАТТ
2 x 1 mm
2
2 x 0,5 mm
2
2 x 0,5 mm
2
2 x 0,5 mm
2
2 x 0,5 mm
2
2 x 0,5 mm
2
2 x 0,5 mm
2
2 x 0,5 mm
2
2 x 0,5 mm
2
F
N
F
N
LUMY/A
МАКС 40ВАТТ
FLASH
230V
3 x 0,22 mm
2
3 x 1,5 mm
2
3 x 1,5 mm
2
COM
Н.З.
N.O.
SAFETY (если необходим)
COM
N.O.
COM
N.O.
COM
Н.З.
COM
Н.З.
COM
Н.З.
COM
Н.З.
2 x 0,5 mm
2
КОРИЧНЕВЫЙ
ЧЕРНЫЙ
СЕРЫЙ
коричневый
голубой
чёрный
голубой
Чтобы терминал 31/32 для нормальной связи
Чтобы терминал 33/34 для контролируемых
устройств безопасности
ВСЕПОЛЯРНЫЙ ВЫКЛЮЧАТЕЛЬ
питание 230В ~ 50Гц±10%
ЭНКОДЕР 1

Related product manuals