EasyManua.ls Logo

Dea STOPNET/N/L-F - Page 49

Dea STOPNET/N/L-F
96 pages
Go to English
To Next Page IconTo Next Page
To Next Page IconTo Next Page
To Previous Page IconTo Previous Page
To Previous Page IconTo Previous Page
Loading...
STOP N
ES-7
ES
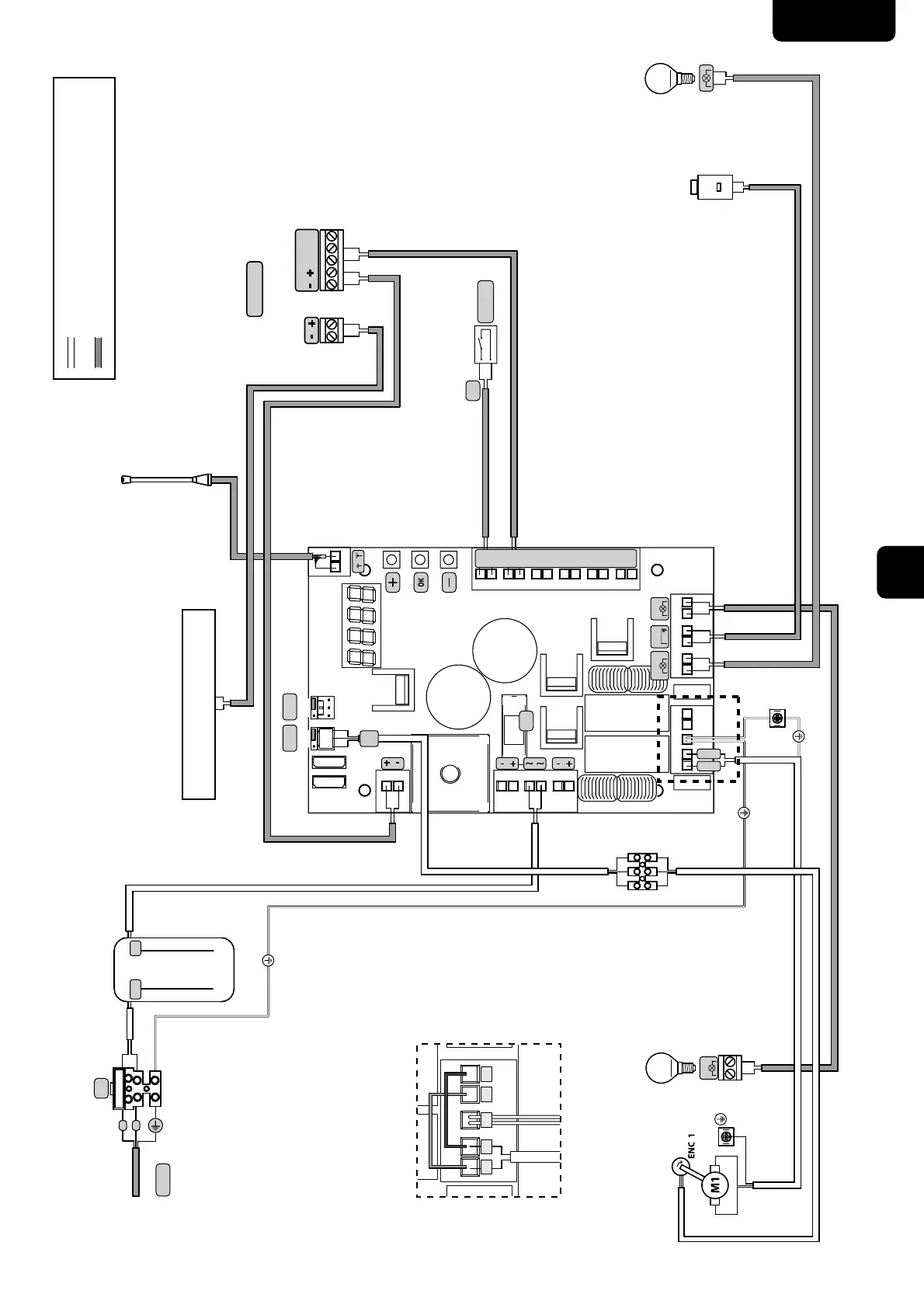
ESQUEMAS PARA MOTORES 24V
CON 1
7981110
Diagrama para el cableado de una sola barrera
Cableado paralelo de la salida M1 y de la salida M2
Ajuste P030 = 001 (1 motor)
7981011 12131415
16 17
18
19
20
21
22
23
24
25
26
27
28
29
33
32
2
1
4
3
6
5
ABAB
F2
FLASH
LOCK
WARNING
J5 J9
2 x 0,5 mm
2
CABLEADOS INTERNOS PREPARADOS EN LA FÁBRICA
CABLEADOS EXTERNOS PREPARADOS POR EL INSTALADOR
N.O.
RG58
START
TX RX
PHOTO 1
FLASH
INDICADOR LUMINOS
PUERTA ABIERTA
24V 15w
2 x 0,5 mm
2
2 x 0,5 mm
2
2 x 0,5 mm
2
2 x 0,5 mm
2
2 x 0,5 mm
2
COM
N.C.
N.O.
ELECTRO-MAGNETO
2 x 1 mm
2
230V
22V
F
N
TRANSFORMADOR
230V/22V
ALIMENTACIÓN
ELÉCTRICA
230V~ 50Hz ±10%
F1
Al terminal 32/33 para una conexión normal
Al terminal 1/2 para seguridades controladas (P071)
ENC
M1
AZUL
ROJO
COM
IN_1
COM
IN_2
COM
IN_3
COM
IN_4
COM
IN_5
COM
IN_6

Related product manuals