EasyManua.ls Logo

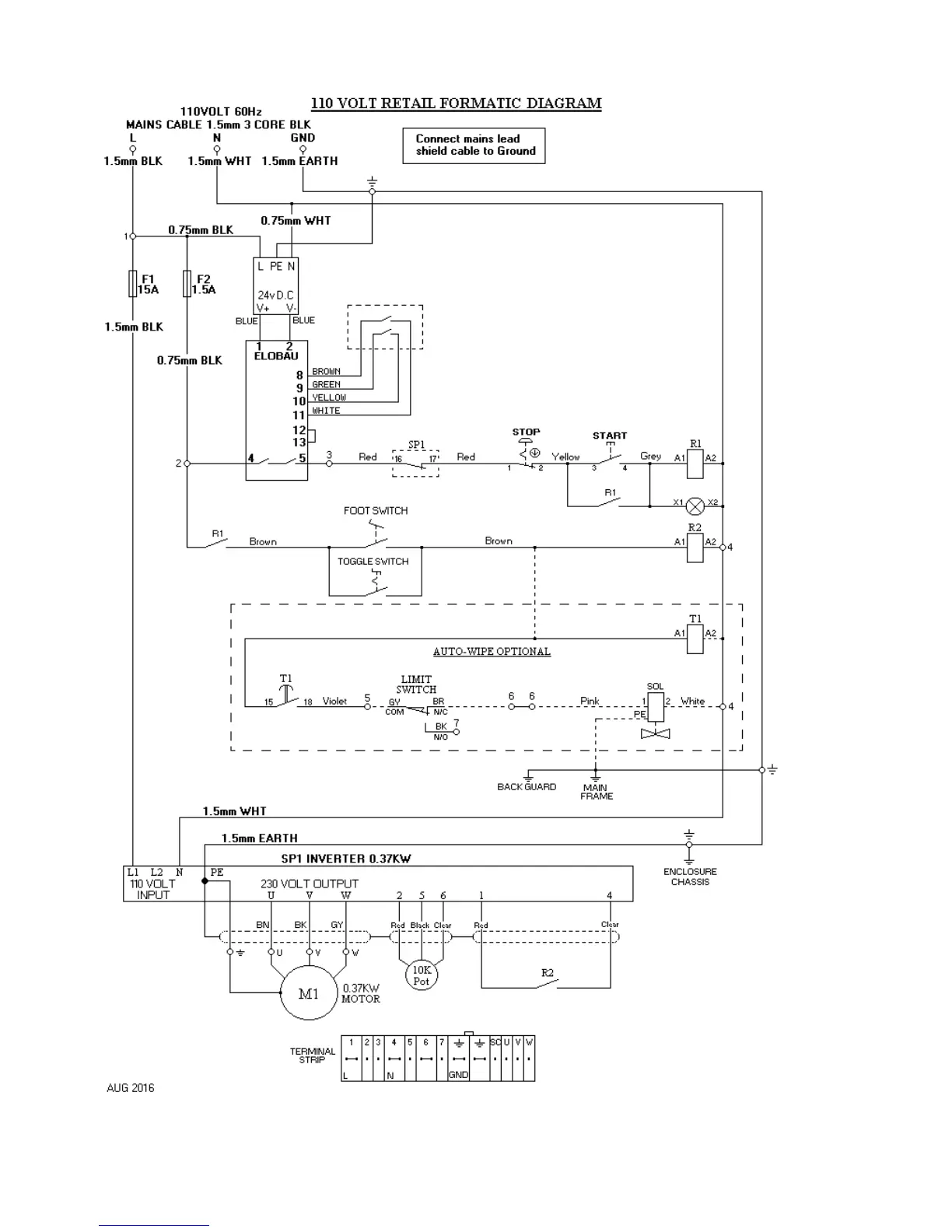
Deighton FORMATIC - 110 VOLT RETAIL FORMATIC DIAGRAM

Deighton FORMATIC
33 pages
Print Icon
To Next Page IconTo Next Page
To Next Page IconTo Next Page
To Previous Page IconTo Previous Page
To Previous Page IconTo Previous Page
Loading...