EasyManua.ls Logo

Delco C984040V - Page 22

Default Icon
24 pages
Print Icon
To Next Page IconTo Next Page
To Next Page IconTo Next Page
To Previous Page IconTo Previous Page
To Previous Page IconTo Previous Page
Loading...
Manual Page 22
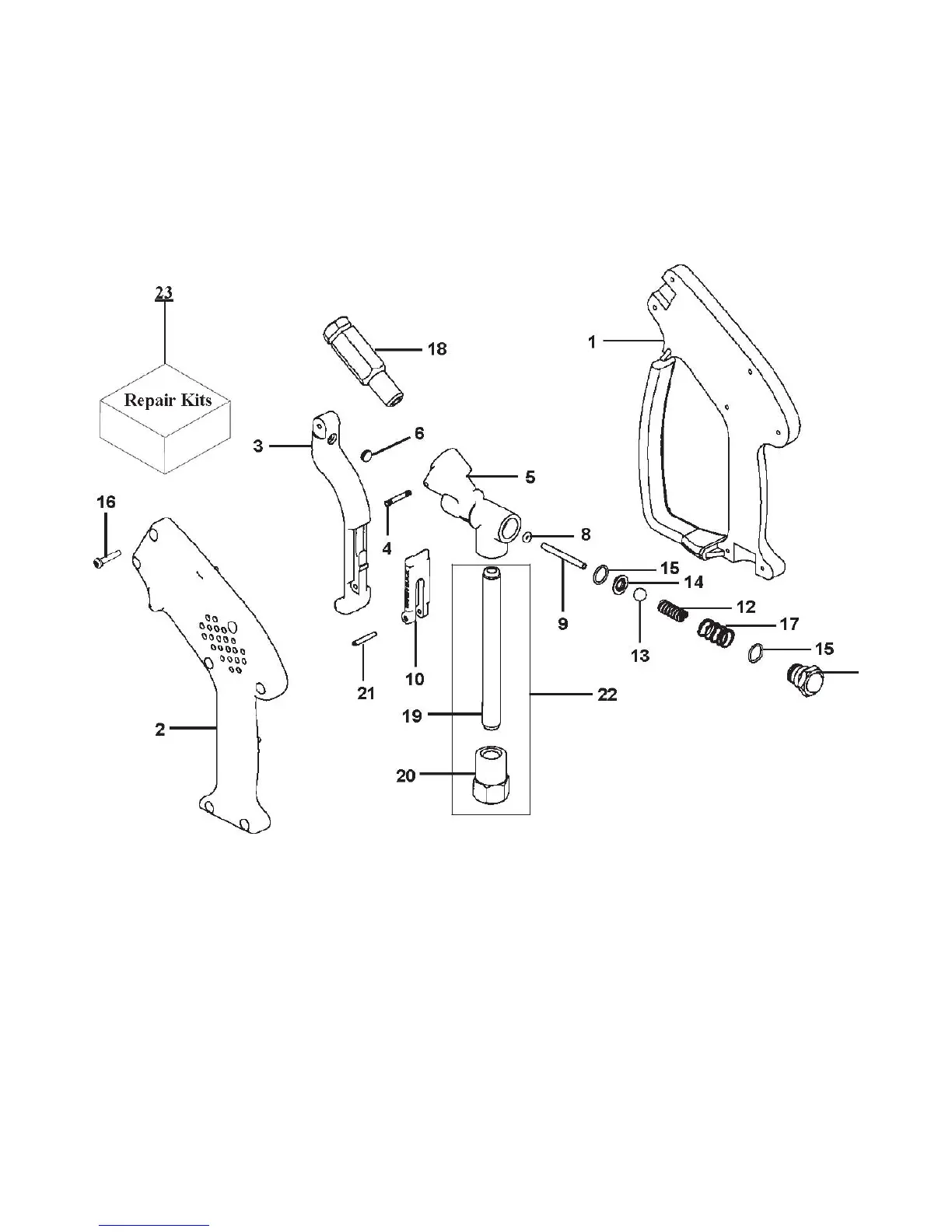
GC 590-40 GUNVALVE COMPONENT LOCATOR

Related product manuals