EasyManua.ls Logo

Delco EQ3200 - Page 24

Default Icon
26 pages
Print Icon
To Next Page IconTo Next Page
To Next Page IconTo Next Page
To Previous Page IconTo Previous Page
To Previous Page IconTo Previous Page
Loading...
Equalizer 3200 Manual Page 24
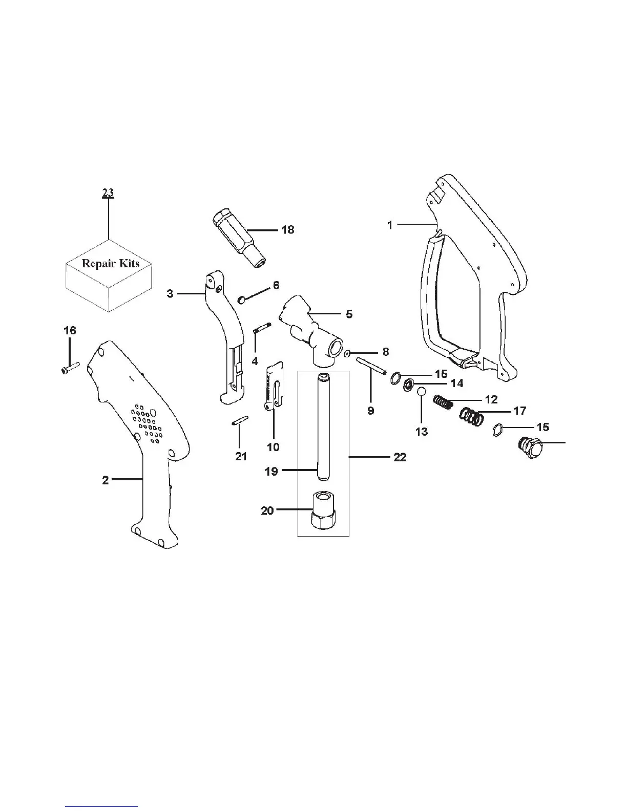
GC 590-40 GUNVALVE COMPONENT LOCATOR

Related product manuals