EasyManua.ls Logo

Delta Electronics MCS-1800 - Page 45

Delta Electronics MCS-1800
57 pages
Print Icon
To Next Page IconTo Next Page
To Next Page IconTo Next Page
To Previous Page IconTo Previous Page
To Previous Page IconTo Previous Page
Loading...
DELTA MCS 1800 3U Power Shelf
Installation, Operations and
Maintenance Manual
REV: 00 A-12
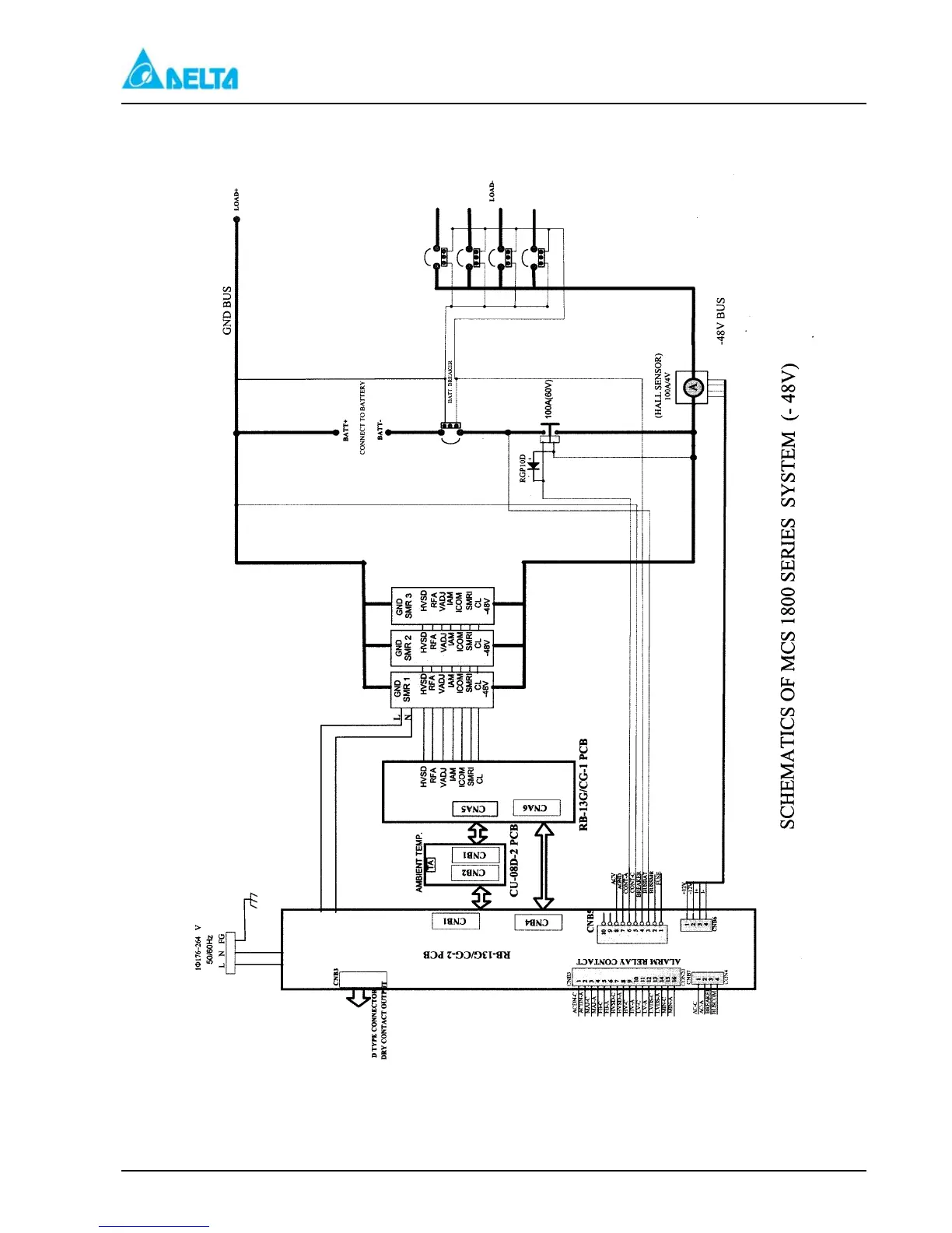
Figure 2-5: ES 48/90-JBAxx (Shelf Wiring MCS 1800 Series Shelf)

Related product manuals