EasyManua.ls Logo

Delta Mayor D 1 Gr - Page 32

Delta Mayor D 1 Gr
Print Icon
To Next Page IconTo Next Page
To Next Page IconTo Next Page
To Previous Page IconTo Previous Page
To Previous Page IconTo Previous Page
Loading...
!
32
Automatique
!
!
!
!
!
!
!
!
!
!
!
!
!
!
!
!
!
!
!
!
!
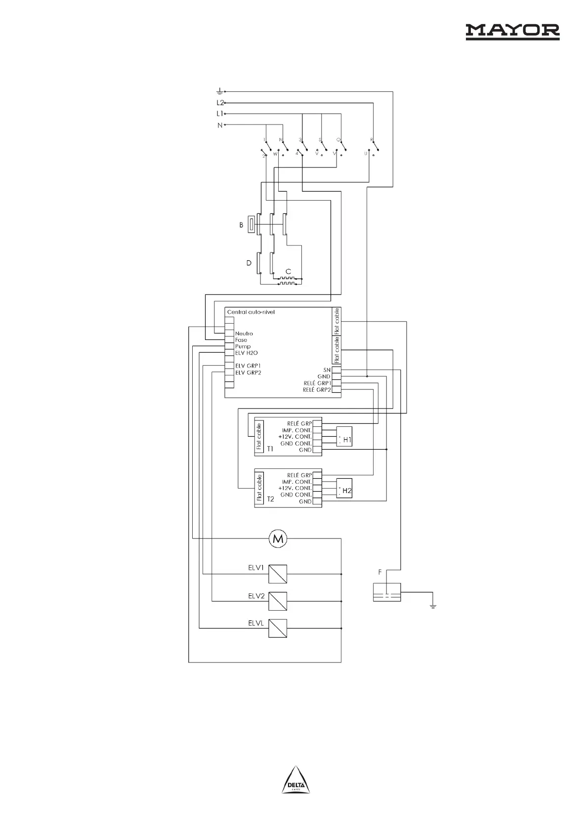
Figure 5.3.2

Related product manuals