EasyManua.ls Logo

Delta VFD037B43A - Page 34

Delta VFD037B43A
250 pages
Print Icon
To Next Page IconTo Next Page
To Next Page IconTo Next Page
To Previous Page IconTo Previous Page
To Previous Page IconTo Previous Page
Loading...
Chapter 2 Installation and Wiring_VFD-B Series
2-16
Revision 10/2005, BE13, SW V4.08
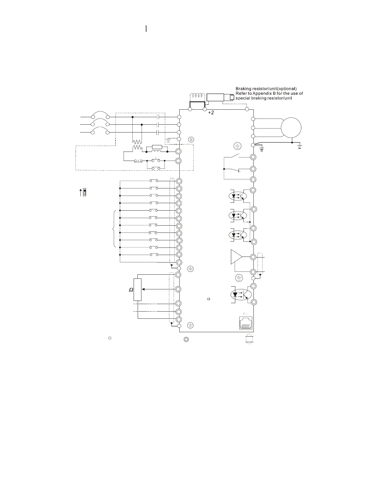
Figure 3 for models of VFD-B Series
VFD150B23A/43A/53A,
VFD220B23A/43A/53A, VFD300B23A/43A/53A, VFD370B23A/43A/53A,
VFD450B43A/53A, VFD550B43A/43C/53A, VFD750B43A/43C/53A
VFD055B23A/43A/53A, VFD075B23A/43A/53A, VFD110B23A/43A/53A,
VFD185B23A/43A/53A,
+1
Jumper
VFDB
-(minus sign)
DC chock
(optional)
Main circuit (power) terminals
Control circuit terminals
Shielded leads & Cable
Analog Multi-function Output
Terminal
factory setting: Analog freq.
/ current meter
0~10VDC/2mA
MO3
U(T1)
V(T2)
W(T3)
IM
3~
MO1
MO2
FM
A
CM
RA
RB
RC
MCM
RS-485
Motor
Factory setting:
indicates during operation
48V50mA
Factory setting:
Freq. Setting Indication
Factory setting:
Low-voltage Indication
Multi-function
Photocoulper Output
Analog Signal common
Serial interface
1: EV 2: GND
5:Reserved
6: Reserved
3: SG-
4: SG+
DFM
DCM
Digital Frequency Output
Terminal
Factory setting: 1:1
Duty=50%
Digital Signal Common
48V50mA
48V50mA
E
E
Please refer to Control
Terminal Explanation
6
1
AVI
ACI
AUI
ACM
4~20mA
-10~+10V
+10V
5K
3
2
1
Power supply
+10V 20mA
Master Frequency
0 to 10V 47K
Analog Signal Common
E
FWD
REV
JOG
EF
MI1
MI2
MI3
MI4
MI6
TRG
MI5
DCM
+24V
Sw1
Sink
Source
Factory setting:
SINK Mode
FWD/STOP
REV/STOP
JOG
E.F.
Multi-step 1
Multi-step 2
Multi-step 3
Multi-step 4
RESET
Accel/Decel prohibit
Counter
Digital Signal Common
Factory
setting
* Don't apply the mains voltage directly
to above terminals.
E
Please refer to Figure 4
for wiring of SINK
mode and SOURCE
mode.
R(L1)
S(L2)
T(L3)
Fuse/NFB(None Fuse Breaker)
SA
OFF
ON
MC
MC
RB
RC
+1
Recommended Circuit
when power supply
is turned OFF by a
fault output
R(L1)
S(L2)
T(L3)
E
* For the single phase application, the AC input line can
be connected to any two of the three input terminals R,S,T
* Three phase input power may apply to single phase drives.

Table of Contents

Other manuals for Delta VFD037B43A

Related product manuals