EasyManua.ls Logo

Denon DHT-T110 - Coaxial Digital In - BETTER; Coaxial Digital Connection

Denon DHT-T110
14 pages
Print Icon
To Next Page IconTo Next Page
To Next Page IconTo Next Page
To Previous Page IconTo Previous Page
To Previous Page IconTo Previous Page
Loading...
11
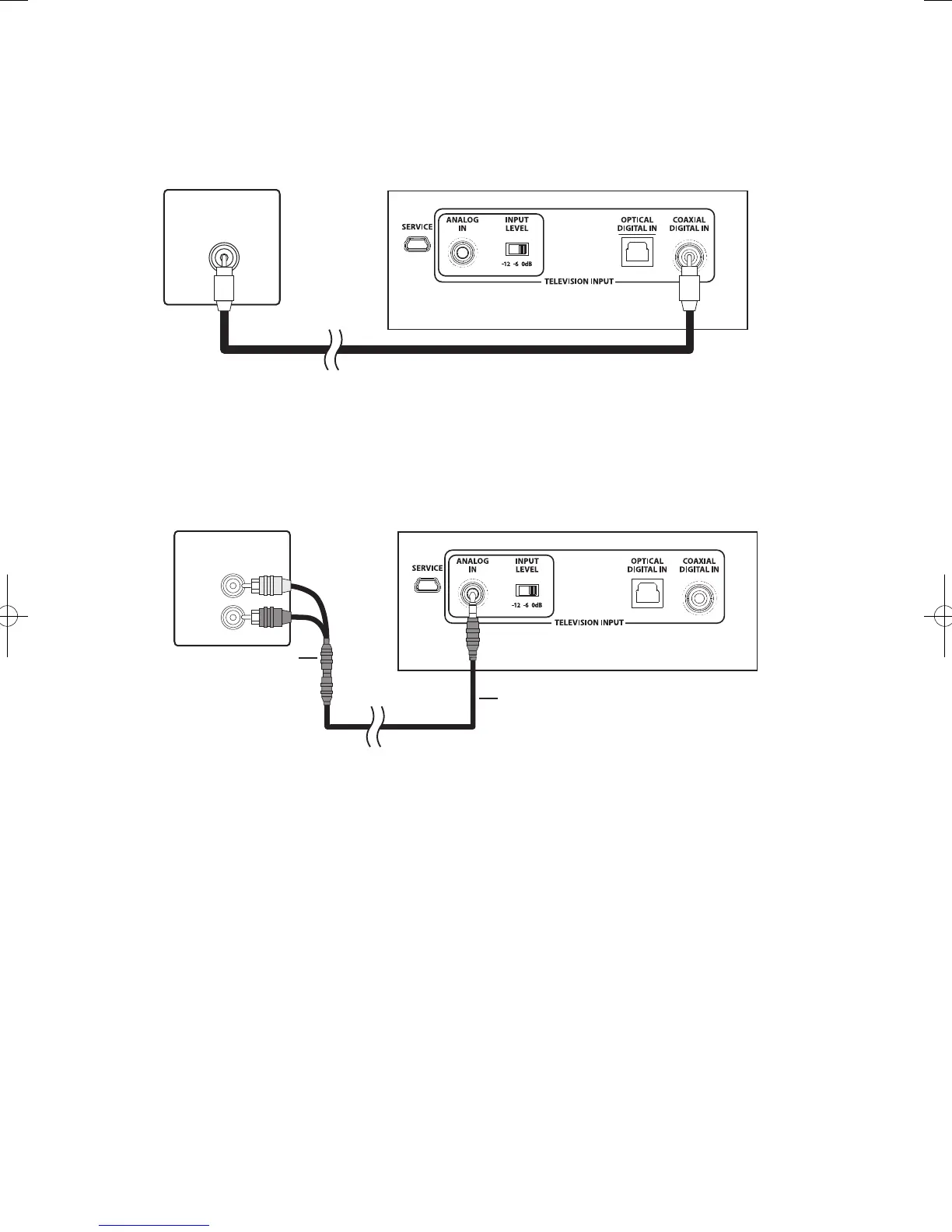
Coaxial Digital In - BETTER
If your television lacks an optical digital out it will probably include a coaxial digital output. Use an “RCA”-type cable (not
included) to connect your television's coax digital audio output to DHT-T110’s Coaxial Digital In. Other components con-
nected to the television, such as a DVD/Blu-ray player or cable/satellite tuner, will automatically play through DHT-T110.
Analog In 1/8" (3.5 mm) mini plug analog audio - GOOD
If your television has no digital audio outputs, connect its analog stereo audio output using the supplied 1/8" (3.5 mm) stereo
cable; if this output is in the form of dual RCA jacks (typically red for right and white or black for left), use the supplied adapter.
If no other audio output is available, connect the sets headphone jack to the analog input using the supplied cable.
Important Note: Input Sensitivity (Analog Input Only)
The normal setting for this is “0 dB.” In rare cases a televisions analog audio output may be too strong. Should you hear
distorted, harsh, or “buzzy” sound from DHT-T110 via its analog stereo input, adjust the rear panel Input Level switch if you
continue to hear distortion.
If you connect multiple inputs to DHT-T110, the DHT-T110 will automatically select the one with the highest priority. For example
,
if optical and analog ins are both connected with live signal, optical will play through the DHT-T110. If the optical source is
turned off, the DHT-T110 must be powered off and then back on in order to detect a different audio input.
DIGITAL AUDIO
COAXIAL OUT
Television rear panel
DHT-T110 rear panel
DENON
DHT-T110
DENON
DHT-T110
AUDIO
OUTPUT
RCA to a stereo
1/8" (3.5 mm) adapter
1/8" (3.5 mm) stereo cable
Television rear panel DHT-T110 rear panel
DHT-T110E3_140805.indd 11 2014/08/19 9:06:26

Other manuals for Denon DHT-T110