EasyManua.ls Logo

Denon DN-961FA - Page 92

Denon DN-961FA
92 pages
Print Icon
To Previous Page IconTo Previous Page
To Previous Page IconTo Previous Page
Loading...
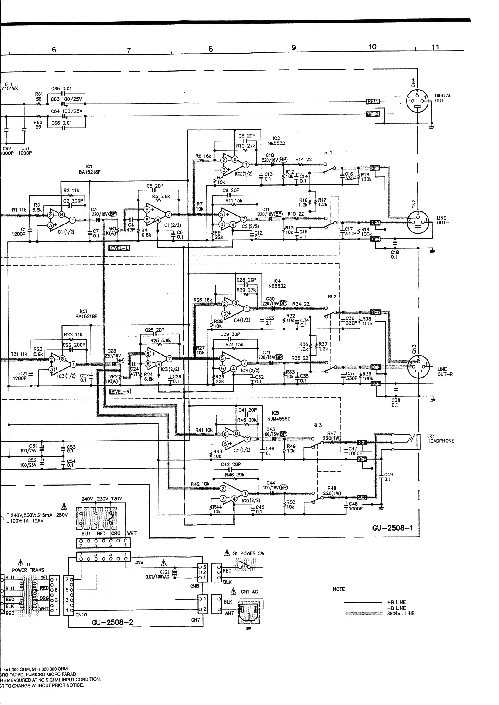
CN4
jy
O11
gA151
WK
C65
0.01
R61
DIGITAL
56
|
C63
100/25V
Ne
EPID
|
(24>
o
LL
our
od
C64
100/25V
|
==
4
FIO}
R62
|
C66
0.01
|
56
C8
20P
ies
C62
C61
R10
27k
NE5532
OOOP
1000P
Ic1
BA15218F
UNE
OUT-L
|
C28
20P
IC4
|
R30
27k
NE55352
|
|
|
C30
220/\6V@E)_R34
22
coe
IC3
BA15218F
ICS
C38
0.1
NUM4556D
en
JK1
|
HEADPHONE
240V 250V
120V
1
[
240V,230V:
315mA—250V
120V:
1A-125V
GU-—2508—1
An
POWER
TRANS
NOTE
+B
LINE
——————
-B
LINE
SSRMEIRAETA
SIGNAL
LINE
CN10
GU—2508—2
.
k=1,000
OHM,
M=1,000,000
OHM
RO
FARAD.
P=MICRO-MICRO
FARAD
RE
MEASURED
AT
NO
SIGNAL
INPUT
CONDITION.
T
TO
CHANGE
WITHOUT
PRIOR
NOTICE.

Other manuals for Denon DN-961FA

Related product manuals