EasyManua.ls Logo

Designa DESE150 - Page 32

Default Icon
34 pages
Print Icon
To Next Page IconTo Next Page
To Next Page IconTo Next Page
To Previous Page IconTo Previous Page
To Previous Page IconTo Previous Page
Loading...
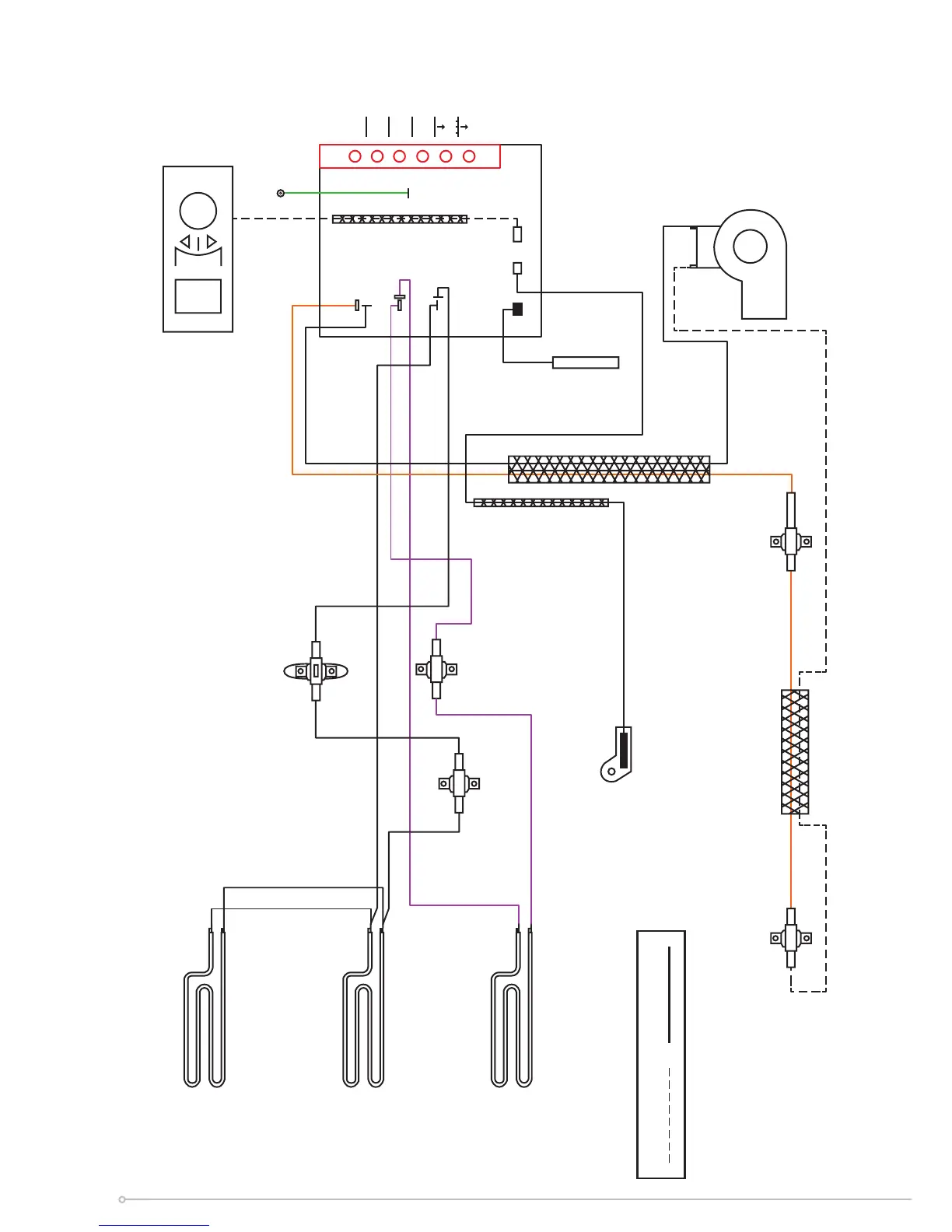
Circuit Diagram - DESE Series A
INDICATES WHITE WIRE
INDICATES BLACK WIRE
LOWER
LEFT STAT
(130° BLUE)
LOWER
RIGHT STAT
(130° BLUE)
ROOM
THERMISTER
FITTED
TO MAIN
CONTROLLER
MODULE
LIMIT STAT
(120° GREEN)
MANUAL CUTOUT
(140°)
USER INTERFACE
EARTH
EARTH
EARTH
NEUTRAL (PEAK)
LIVE (PEAK)
LIVE (OFF-PEAK)
NEUTRAL (OFF-PEAK)
FAN
PCB
LIMIT STAT
(125° BLACK)
CORE THERMISTER
MOUNTED TO INNER SIDE (o/w
PLASTIC HOUSING)
STORAGE
ELEMENTS
32

Related product manuals