EasyManua.ls Logo

Devon BLAZER 9000 - Page 4

Devon BLAZER 9000
19 pages
Print Icon
To Next Page IconTo Next Page
To Next Page IconTo Next Page
To Previous Page IconTo Previous Page
To Previous Page IconTo Previous Page
Loading...
4
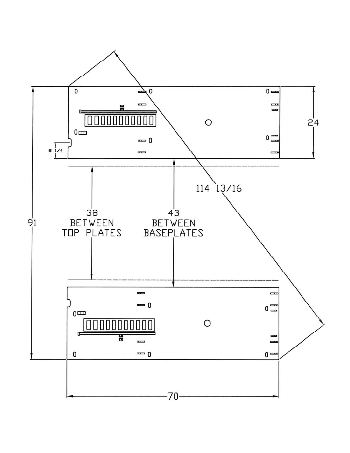
Layout Dimensions