EasyManua.ls Logo

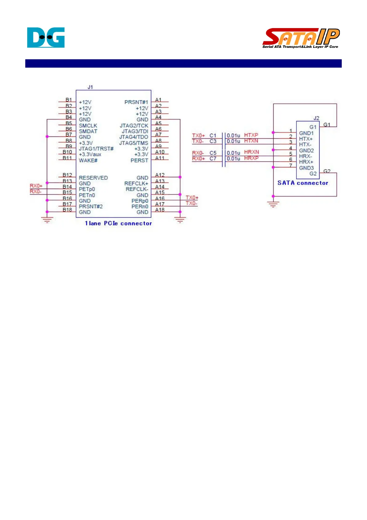
DG PCIe-SATA - Schematic

Default Icon
2 pages
Print Icon
To Previous Page IconTo Previous Page
To Previous Page IconTo Previous Page
Loading...
Copyright©2012 Design Gateway Co,.Ltd. All rights reserved.
Page 2/2
Schematic