EasyManua.ls Logo

Diamond D3 Series - Page 7

Diamond D3 Series
16 pages
Print Icon
To Next Page IconTo Next Page
To Next Page IconTo Next Page
To Previous Page IconTo Previous Page
To Previous Page IconTo Previous Page
Loading...
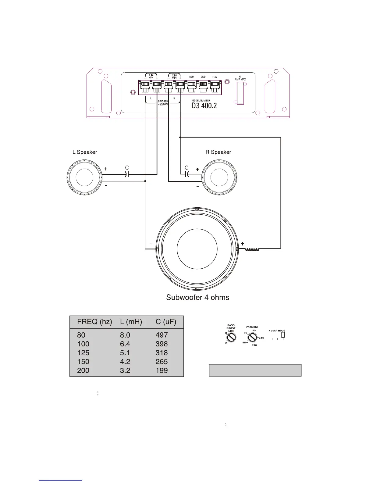
Mixed-Mode Satellite and Subwoofer System
Set X-Over Mode to FULL.
Low
HIGH
FULL
NOTE Chart values based on 4 ohm speakers.
Fig.7 The amplifier can be configured for a mixed-mode operation. The table provides
component values to create a 6dB per octave crossover at specified frequencies. Use components
that have a 5% tolerance and capacitors rated at 100V. NOTE Choose the same frequency for
both LP and HP crossovers. Do not overlap frequencies, as this may damage the amplifier.
+
-
Fig.8 Electrical connections for the D3 400.2
D3 400.2
D3 400.2
7
8

Related product manuals