EasyManua.ls Logo

DITEC LAN7 Series - Page 2

DITEC LAN7 Series
Print Icon
To Next Page IconTo Next Page
To Next Page IconTo Next Page
To Previous Page IconTo Previous Page
To Previous Page IconTo Previous Page
Loading...
24 V=
13/5
-
+
0 1CNO NC X
V
GND
DA0
DA1
LED
LAN7R
CONT1
V
GND
DA0
DA1
LED
LAN7R
min 200
LED
CONTROL
PANEL
LAN7S
DA1
DA0
GND
V
ERASE LEARN
MEM
COM
LD1
OUT1
LED
LAN7S
DA1
DA0
GND
V
ERASE LEARN
MEM
COM
LD1
OUT1
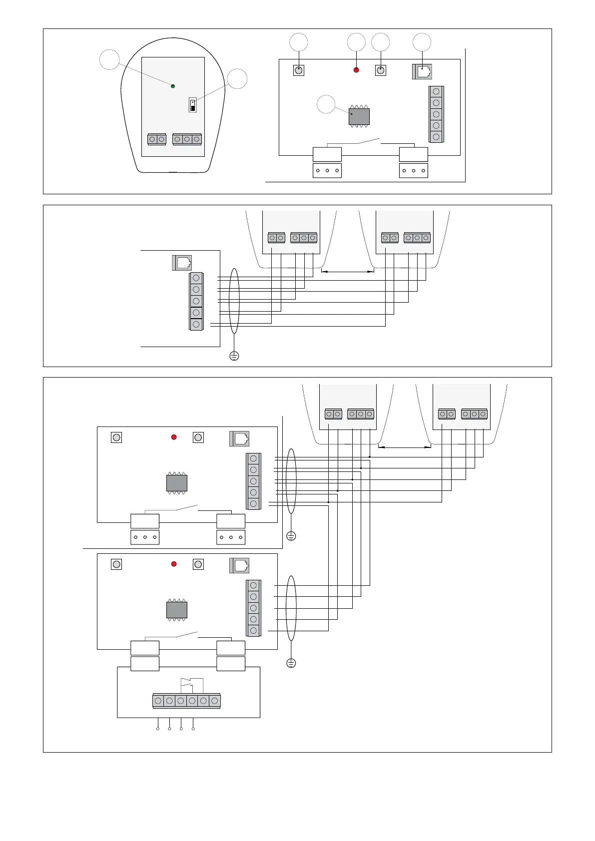
Fig. 3
V
GND
DA0
DA1
LED
V
GND
DA0
DA1
LED
COM
LED
DA1
DA0
GND
V
LAN7S
LAN7R LAN7R
min 200
LED
CONTROL
PANEL
LAN7S
DA1
DA0
GND
V
3
4 5 6
7
ERASE LEARN
MEM
COM
LD1
OUT1
V
GND
DA0
DA1
LED
1
ON
2
Fig. 4
Fig. 5

Related product manuals