EasyManua.ls Logo

Dometic MaCave A25G - Page 37

Dometic MaCave A25G
40 pages
Print Icon
To Next Page IconTo Next Page
To Next Page IconTo Next Page
To Previous Page IconTo Previous Page
To Previous Page IconTo Previous Page
Loading...
- 37 -
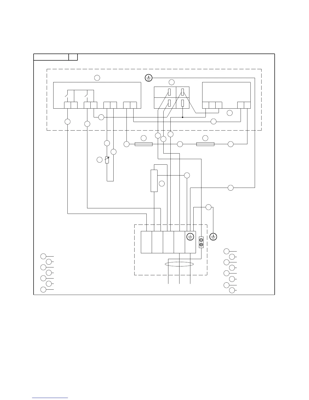
BILAG A - STRØMSKEMA
295 55 42
A
B
C
D
E
F
VARME-/KØLEENHED
TRANSFORMATOR
TERMOSIKRING KEDELBEKLÆDNING
REGULATOR
AFBRYDER
TERMOSIKRING VANDSEPARATOR
RL1 RL2
12 V
A
B
C
EF
4
2
HVID
GRÅ
SORT
BLÅ
4
3
2
1
3
1
3 3 5
5
RØD
N
PE
D
L3L2L1
230 V
127 V
120 V
100 V
6
6
BRUN
8 7 6 5 4 3
2 1
RL1 RL2
12 V
G
G
TERMISTOR
GUL
7
7
5
3
240 V
GRØN/GUL
8
8
8
8
4
6

Related product manuals