EasyManua.ls Logo

DongFeng S30 - Page 125

DongFeng S30
302 pages
Print Icon
To Next Page IconTo Next Page
To Next Page IconTo Next Page
To Previous Page IconTo Previous Page
To Previous Page IconTo Previous Page
Loading...
Circuit Diagrams of Electrical Appliances
21-116
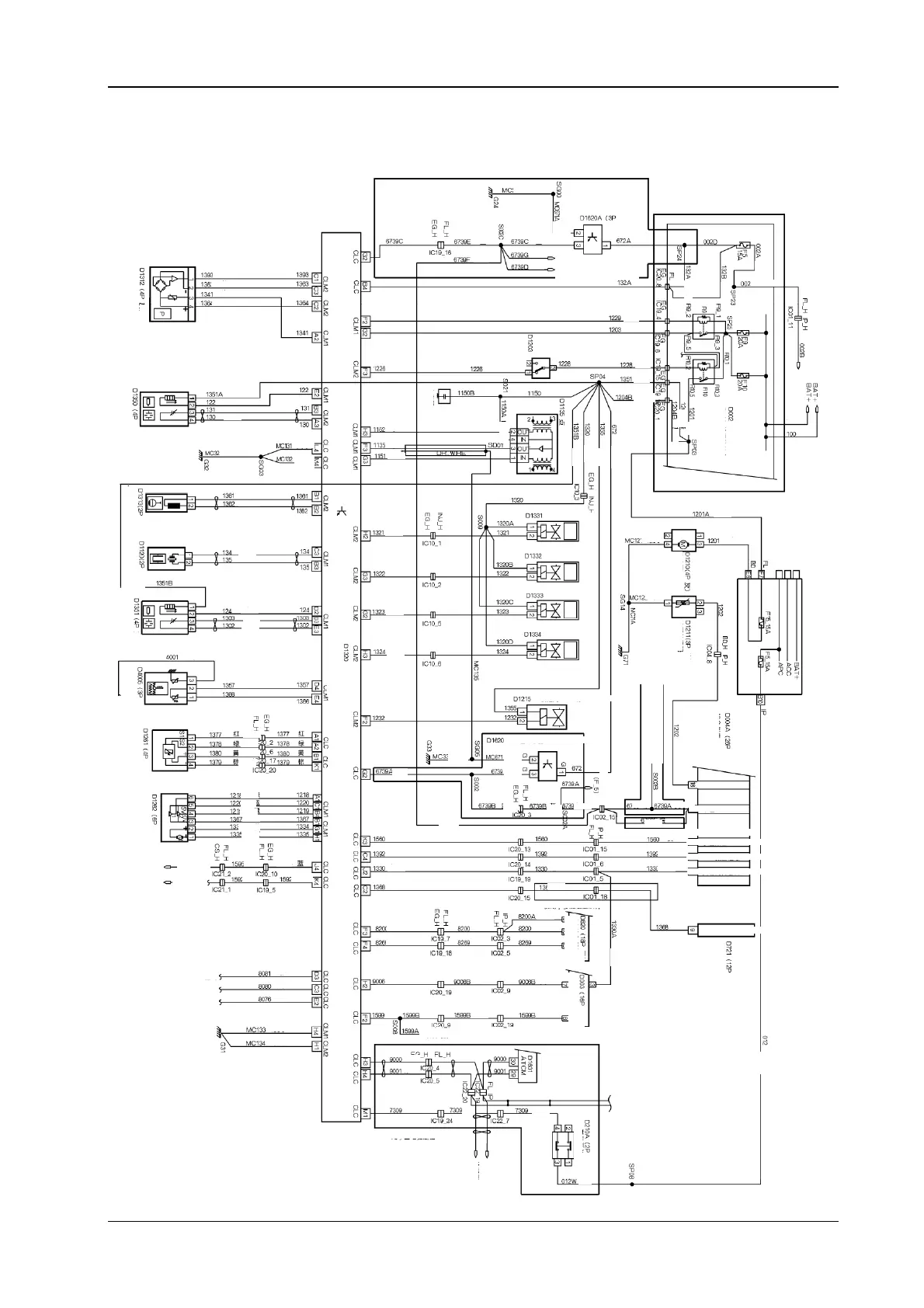
3.3 The electrical location diagram for the engine control S30/H30 (It is applicable to the 6
digits 015982after code VIN <037670)
transmission
***It is used for automatic
Yellow green
The vehicle
speed sensor
Blue
Blue
Blue
Blue
Blue
Blue
Blue
Green
Green
Green
Green
Green
Green
Green
Green
Green
Green
Green
Green
Green
Blue
Blue
Blue
Blue
Green
Green
Green
Green
Green
Green
Green
Green
Green
Blue
Blue
Green
Green
Green
Green
Green
Green
Red
White
Yellow
Gre
y
Yellow
Black
Yellow
Yellow
Yellow
Yellow
Yellow
Yellow
Yellow
Green
Blue
Blue
Yellow
Yellow
Yellow Yellow
Gre
y
Red
Brown
Red
Red
Brown
Brown
Brown
Red
Red
Red
Green
Red
Brown
Brown
Brown
Yellow
Brown
Brown
Brown Brown
Brown
Red
Red
Red
Red
Red
Red
Brown
Red
RedRed
Red
Gre
y
Yellow
Gre
y
Brown
Brown
G
r
e
y
Green
y
ellow
Gre
y
Green
Green
y
ellow
Green
y
ellow
Red
Green
Blue
Green
yellow
Green
yellow
Yellow
Brown
Green
yellow
Red
Gre
y
Grey
Brown
Green yellow
Yellow
green
Yellow
green
Yellow green
Yellow
green
Green
yellow
The cabin fuse box(F5)
To the automatic transmission
control module (B25)
The front oxygen sensor
Green)
Intake air pressure
temperature sensor
Grey)
The inertia
switch
(3P Black)
The capacitor
Engine rotation
sensor
Black) Black)
Blue)
Blue)
Black)
Black)
Red
The fuel nozzle 1
The fuel nozzle 2
The fuel nozzle 3
The fuel nozzle 4
White
The explosion and
vibration sensor
Ignition coil (grey)
The engine
compartment fuse
The back oxygen
sensor
Engine water
te
m
pe
r
atu
r
e
se
n
so
r
The combined
instrument (blue)
The accelerator pedal
se
n
so
r
Air damper
The fan rela
y
hi
g
h s
p
eed
The fan rela
y
low s
p
eed
The engine
coolin
g
The engine
coolin
g
The electric
g
enerator com
p
uter
Carbon tank valve
(
2P Brown
)
Gre
y
The fuel
meter
The oil
meter
Brown)
Blue)
Automatic air conditioning
control module multiple
functional display screen
The combined
instrument
Black)
Black)
Black)
The vehicle s
p
eed senso
r
(
3P white
)
***It is only used for
automatic air conditioning
The cabin fuse box
***It is used for
manual operated
transmission
***It is onl
y
used for automatic o
p
erated air conditionin
g
*** It is onl
y
used for multi
p
le functional dis
p
la
y
screen
The ft protection
controller module
Diagnostic apparatus
The fuel mete
r
The s
p
eedomete
r
The water tem
p
erature alarm
The OBD ala
r
m information
The
g
enerator s
p
eed mete
r
The oil consum
p
tion information
The combined
instrument
Multiple functional
dis
p
la
y
screen
Black Brown)
The brake switch
***It is used for automatic
The coolin
g
fan
White
)
Grey
Pink
The battery
The ignition switch
(
o
p
eration
)
The cabin fuse box
Yellow
Diagnostic
apparatus
Diagnostic
apparatus
Air conditionin
g
Air conditionin
g
Air conditionin
g