EasyManua.ls Logo

DongFeng S30 - Page 157

DongFeng S30
302 pages
Print Icon
To Next Page IconTo Next Page
To Next Page IconTo Next Page
To Previous Page IconTo Previous Page
To Previous Page IconTo Previous Page
Loading...
Circuit Diagrams of Electrical Appliances
21-144
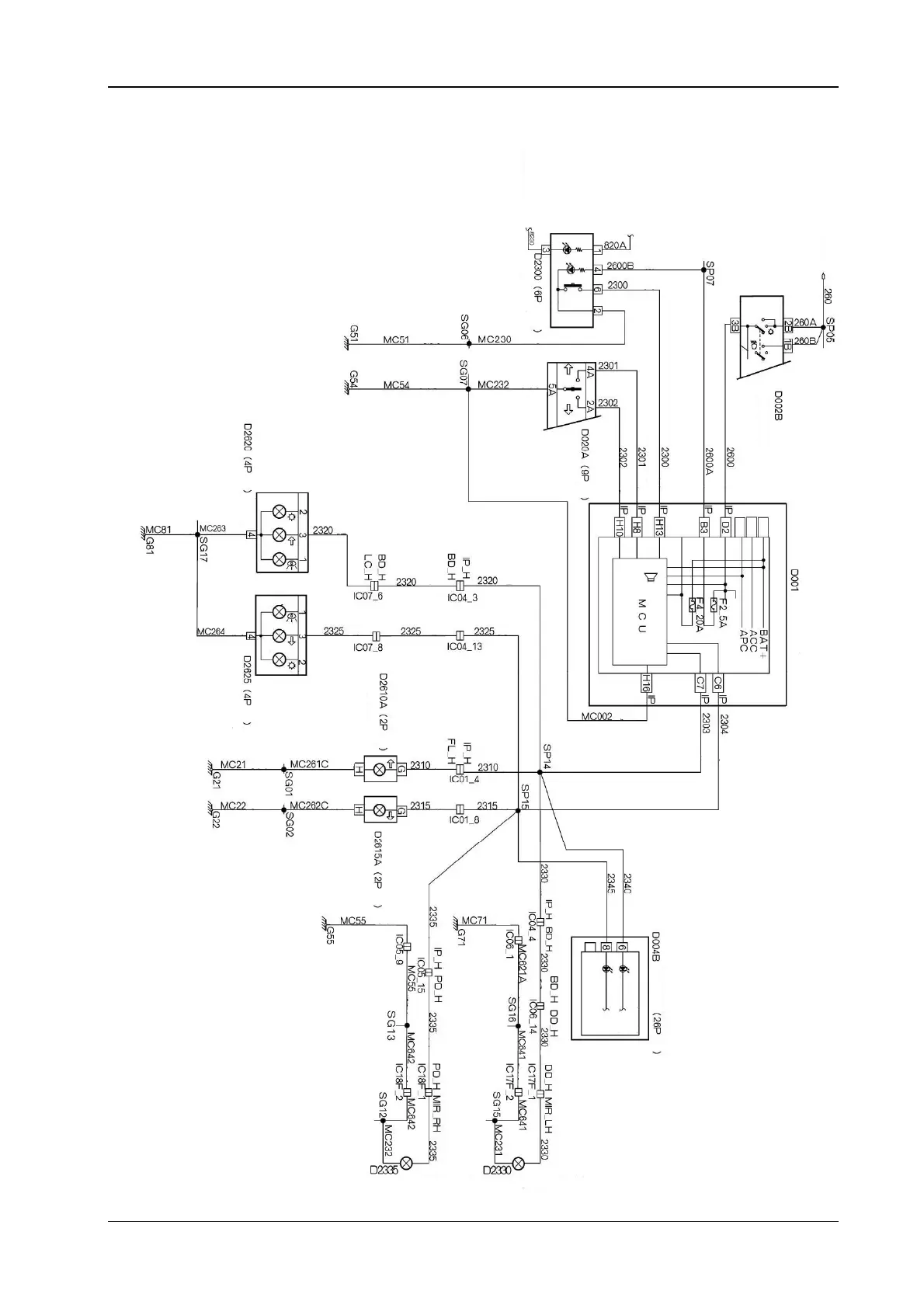
14.3 The electrical schematic diagram for the steering and danger alarm light (H30)
Brown
Theft protection
controller module
Yellow
Green yellow
Yellow green
Yellow green
Yellow green
Theft protection
controller module
The danger alarm
light switch
Black brown
The light combined
switch (black)
(the steering light
switch
)
Black
Green
Green
Yellow
Yellow
Yellow
The light combined
switch (the side light
switch)
The engine
compartment fuse
bo
x
The left back
combined light (on
the vehicle bod
y)
White
The left back
combined light (on
the vehicle bod
y)
White
Green
yellow
Yellow
green
Green
yellow
Black
The left front
steering light
Green
yellow
Green
yellow
Green
yellow
Green
yellow
Red
Yellow
Red Yellow
Red
Creamy
white
Red
Brown
Brown
Green
The side light
The left steering light
The brake light
The brake light
The side light
The right steering light
Black
The right front
steering light
Green yellow
Brown
Yellow
Yellow green
Green yellow
Yellow green
Yellow Yellow
Green
yellow
The right steering light (on the
rear view mirror)
The left steering light (on the rea
r
view mirror)
Yellow
The combined
instruments
The left steering indicator light
The right steering indicator light
Red
Blue
Green
Brown
Green
yellow
Cabin fuse box