EasyManua.ls Logo

DongFeng S30 - Page 162

DongFeng S30
302 pages
Print Icon
To Next Page IconTo Next Page
To Next Page IconTo Next Page
To Previous Page IconTo Previous Page
To Previous Page IconTo Previous Page
Loading...
Circuit Diagrams of Electrical Appliances
21-149
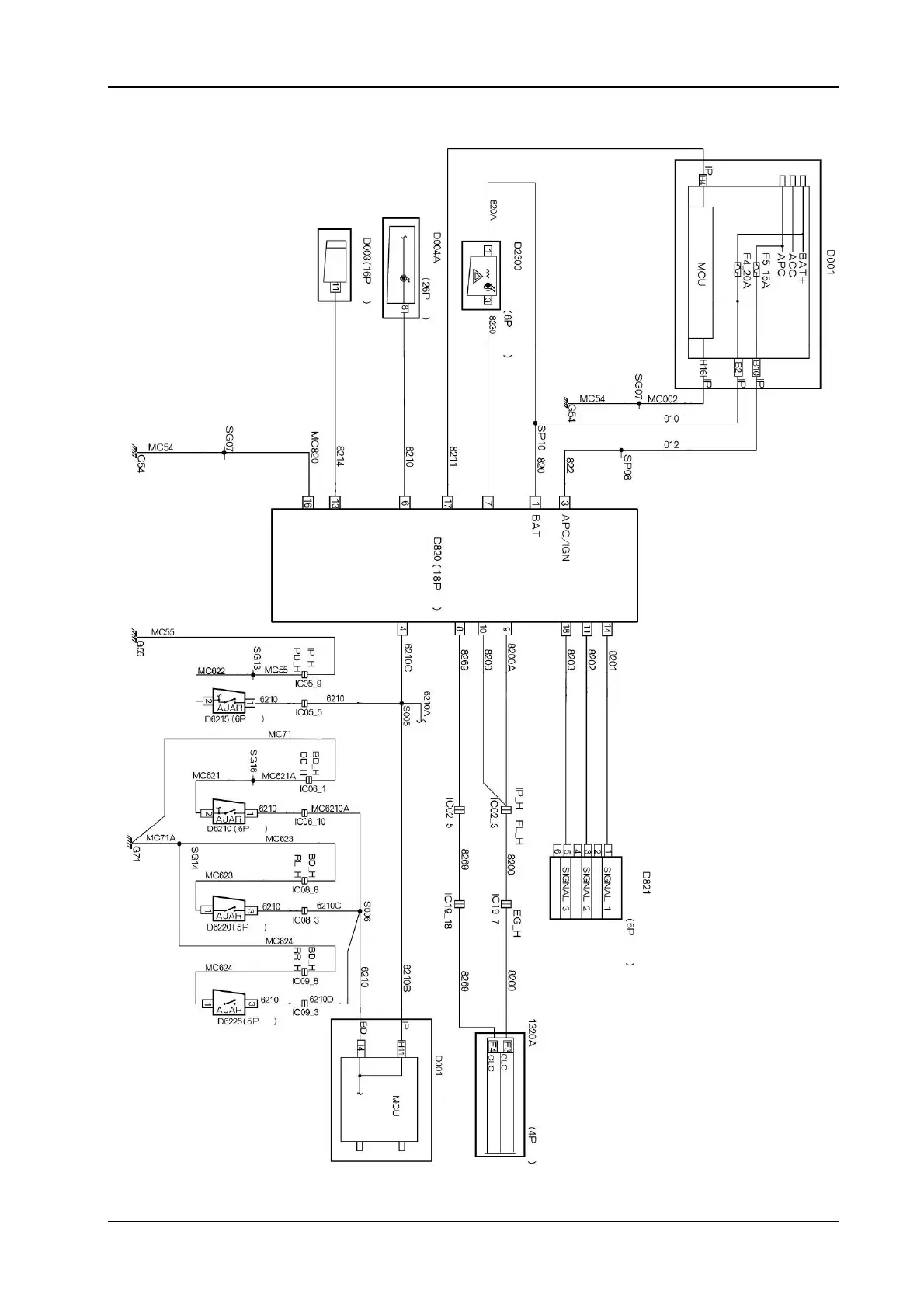
16.2 The electrical schematic diagram for the ft protection controller S30/H30)
Yell o w
g
reen
The danger alarm switch
Dia
g
nostic a
pp
aratus
Black
Yell o w
green
Yell o w
Blue
Black brown
Red
Brown
Gre
y
Yell o w
Green
The combined instrument
Green
Green
y
ellow
Black
Theft protection control module
Yell o w
g
reen
Green
y
ellow
Green
y
ellow
Green
y
ellow
Yell o w
g
reen
Yell o w
g
reen
Yell o w
g
reen
Yell o w
g
reen
Yell o w
Yell o w
Yell o w
Yell o w
Brown
Brown
Brown
Brown
Brown
Green
Green
y
ellow
Red
Green
The ri
g
ht back door lock
The left back door lock
The left front
door lock
The ri
g
ht front door lock
Brown
Green
Red
Cabin fuse box
The en
g
ine com
p
uter
Black brown
Theft
p
rotection re
p
l
y
module
Red
Blue
The combined instrument (opening the doo
r
indicator li
g
ht
)
Green
Red
Blue
Yell o w
Brown
Blue
Yell o w
g
reen
Green
y
ellow
Yell o w
Red
Cabin fuse box
The code start prevention
indicator li
g
ht
t