Reversing radar display signal +
Reversing radar display signal
-
Reversing lamp
Green
Yellow
Green & yellow
Rear fog lamp
Position lamp
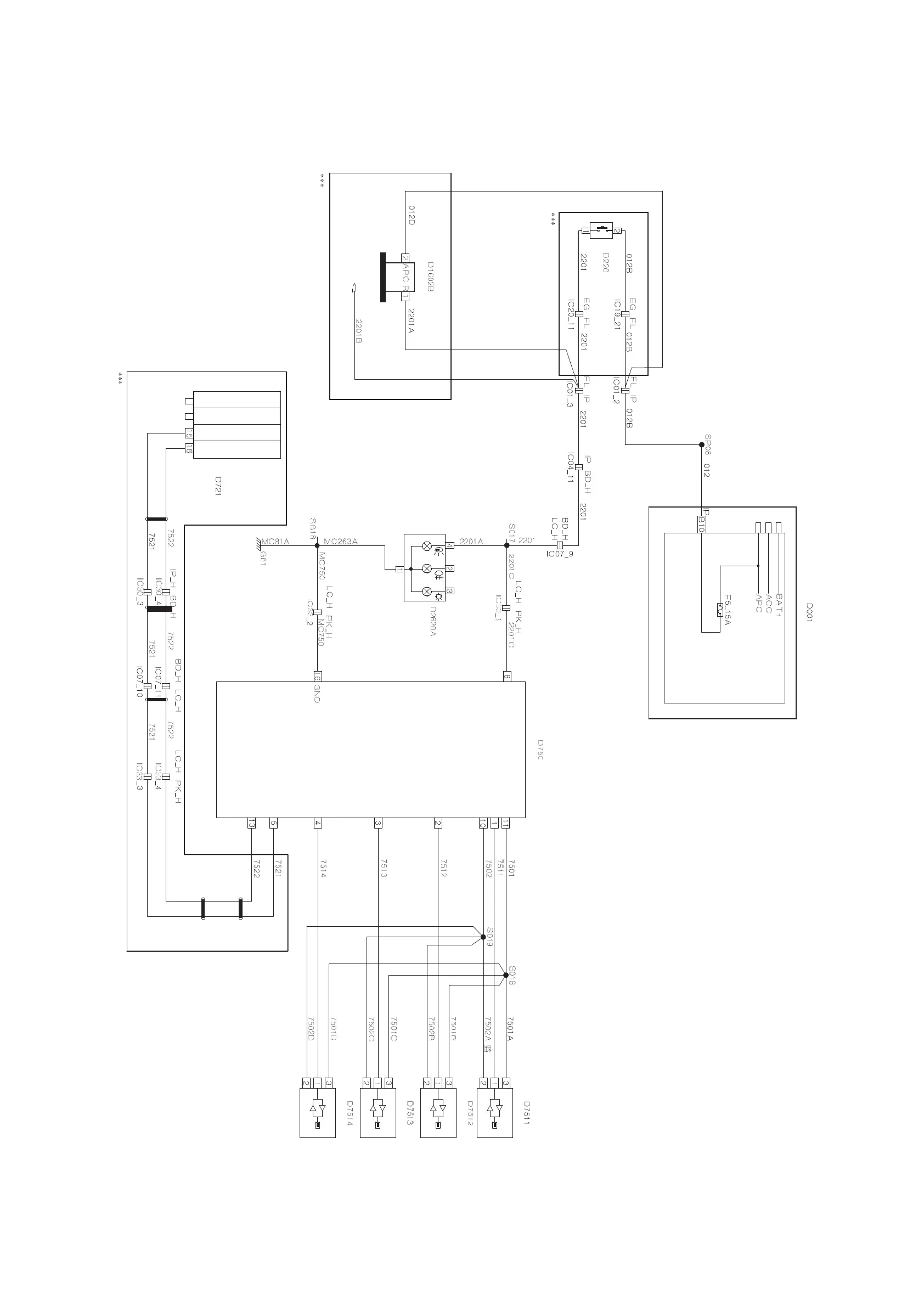
Electrical Diagram of Parking Assist (BF3MT/AT XV, BF3MT/AT DLX)
Cabin fuse box
Red
Green
Yellow
Green
Reversing
lamp switch
Grey Green Brown Brown
For MT
Parking assist control module
Green
Yellow
Reversing lamp
power supply
Sensor power supply (+)
Right sensor signal
Sensor power supply (-)
Yellow
Yellow
Pink
Red
Reversing radar (RH)
Grey
Gear selector switch
Green
Rear
combination
lamp (Trunk)
Right middle sensor signal
Left middle sensor signal
Pink
Yellow
Red
Blue
Red
Blue
Reversing radar (RH, MID)
Reversing radar (LH, MID)
To
AT
(See
AT)
Yellow
For
AT
Green & ye llow
Green & ye llow
Left sensor signal
Display signal
+
Display signal -
Pink
Yellow
Pink
Red
Blue
Reversing radar (LH)
Multi-function
display
Pink
Pink Pink
Yellow
Yellow
Yellow
For premium model