EasyManua.ls Logo

DongFeng S30 - Page 175

DongFeng S30
302 pages
Print Icon
To Next Page IconTo Next Page
To Next Page IconTo Next Page
To Previous Page IconTo Previous Page
To Previous Page IconTo Previous Page
Loading...
Circuit Diagrams of Electrical Appliances
21-171
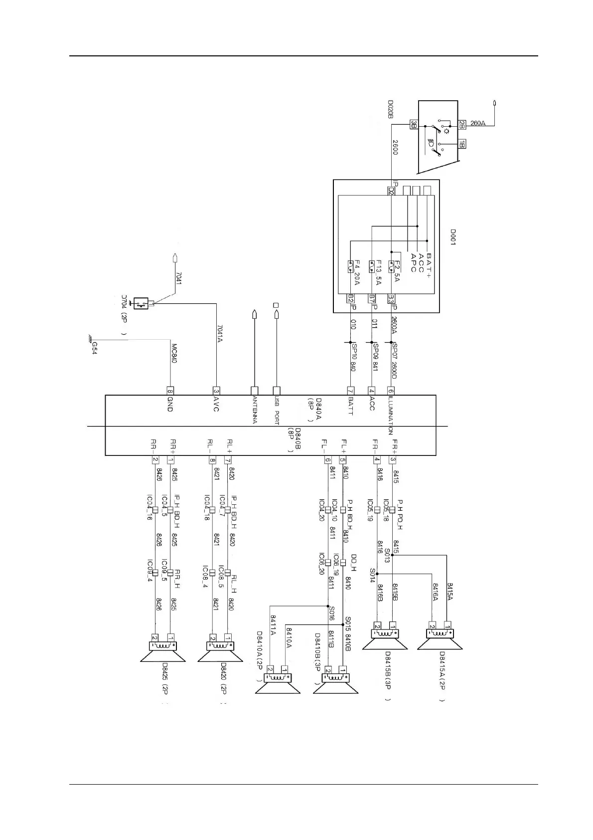
23.3 The electrical location diagram for the acoustic system S30 /H30
Green
y
ellow
The combined
instrumen
t
Brown
Brown
The radio antenna
USB interface
The
p
arkin
g
brake switch
*** DVD is only available
to vehicle model with
The acoustic
system
Black
The acoustic
system
White
Brown
Brown
Yell o w
Yell o w
Yell o w
Green
Green
Green
Green
Brown
Red
Black
Black
The right back
loud s
p
eaker
The left back loud
s
p
eaker
Black
Brown
Green
Green
Green
Green
Green
Brown
Brown
Brown
Brown
Brown
Gre
y
Red
Red
Red
Black
Black
Yell o w
Yell o w
Yell o w
The left front base tone
loud s
p
eaker
The left front high
fre
q
uenc
y
loud s
p
eaker
The right front high
fre
q
uenc
y
loud s
p
eaker
The right front base tone
loud s
p
eaker