EasyManua.ls Logo

DongFeng S30 - Page 202

DongFeng S30
302 pages
Print Icon
To Next Page IconTo Next Page
To Next Page IconTo Next Page
To Previous Page IconTo Previous Page
To Previous Page IconTo Previous Page
Loading...
Circuit Diagrams of Electrical Appliances
21-179
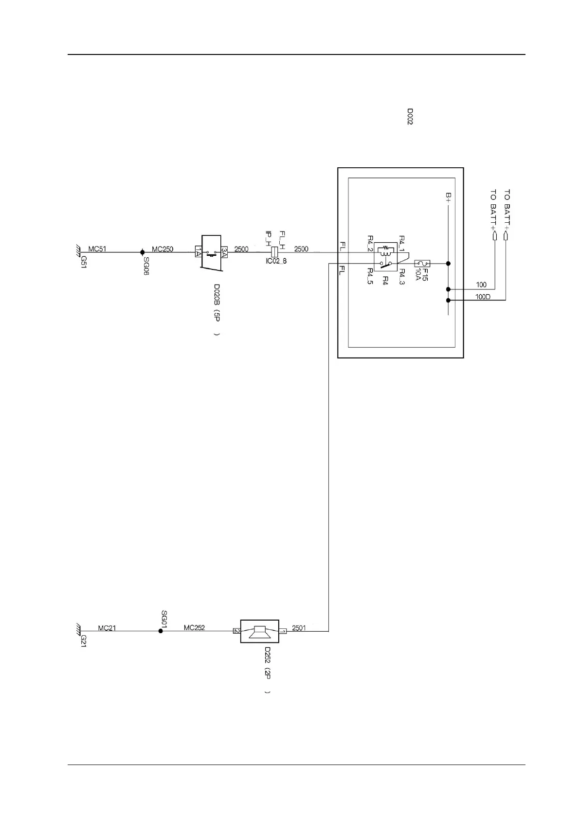
26.2 The electrical schematic diagram for the horn S30/H30
Yell o w
g
reen
Green
y
ellow
White
The horn switch
Red
Blue
The en
g
ine com
p
artment fuse box
The horn rela
y
To connect with batter
y
Yell o w
Green
y
ellow
Green
y
ellow
The horn hi
g
h fre
q
uenc
y
White