EasyManua.ls Logo

DongFeng S30 - Page 224

DongFeng S30
302 pages
Print Icon
To Next Page IconTo Next Page
To Next Page IconTo Next Page
To Previous Page IconTo Previous Page
To Previous Page IconTo Previous Page
Loading...
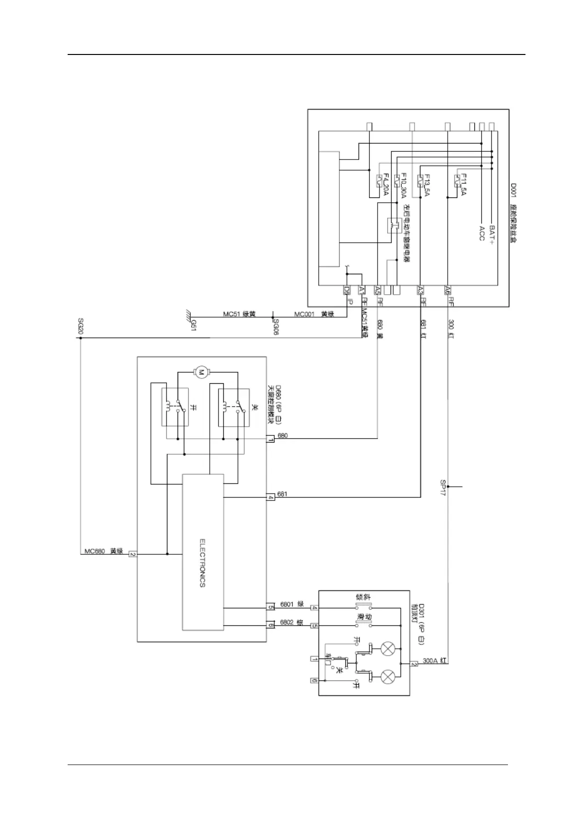
Sunroof
15-4
1.2. Electrical schematic diagram of sunroof