EasyManua.ls Logo

Dual C 844 - Page 11

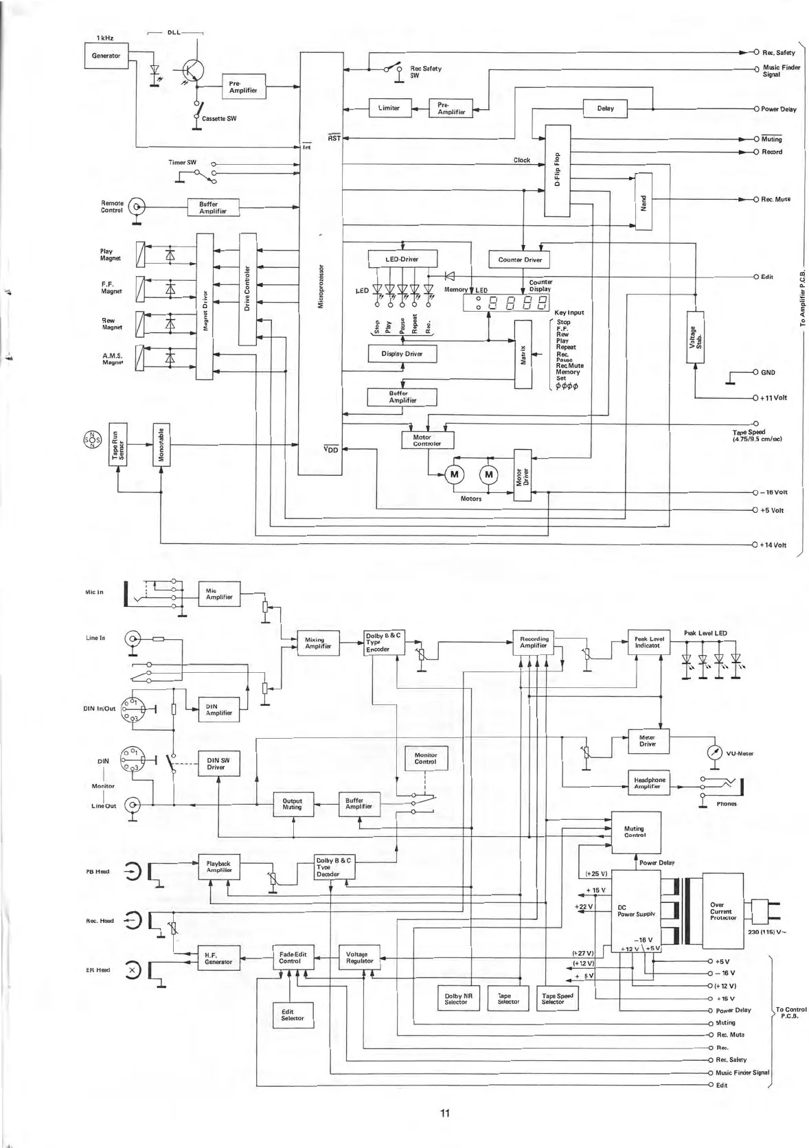
Dual C 844
50 pages
Print Icon
To Next Page IconTo Next Page
To Next Page IconTo Next Page
To Previous Page IconTo Previous Page
To Previous Page IconTo Previous Page
Loading...
DLL
1
kHz
Generator
8.-0
Ren.
Safety
Pre-
Amplifier
?Cassette
SW
Control
Remote
(2
Play
Magnet
F.F.
Magnet
Rew
Magnet
A.M.S.
Magnet
Mic
In
Line
In
DIN
In/Out
DIN
Monitor
PB
Herd
ER
Head
2
Timer
SW
Buffer
Amplif
ier
er
.48
<3
A
RST
Int
VDD
o
Cf"
.
Ren
Safety
SW
Limit.
P
AZ
-
piff
ier
•—•
Glock
Delay
LED-Driver
LED
2 2 2
7
eeeee
o o
oo
o
Display
Driver
Counter
Driver
1.1
Counter
Mannoryy
LED
Display
O
C.1
1
-
1
C
o
UI
1_1
_I
L1
4
Buffer
Amplifier
ve-
0
Music
Finder
Signal
0
Power
Delay
-0
Muting
-0
Record
-0
Ran.
Mute
Key
Input
Stop
F.F.
Re*/
Play
Repeat
Rec.
Paura
RecMute
Memory
Set
0000
t
Motor
Controler
0
Edit
e
-g
0
GND
0 ,
11
Volt
Motors
Tape
Speed
(4.75/9.5
orrasee)
f
o
M.
Ansplit
ier
T
DIN
SW
Driver
Mixing
Amplifier
Dolby
8
&
C
er
TYPe
Encoder
es.
AgrU
d
ie:?
Pauk
Level
Indiratot
Pw.
Loyal
LED
°A=
Buffer
Anrallfier
Monitor
Control
Meter
Driver
222
1).
«Im
m.
WHIO
l-f
dphona
Aniplifier
••••
er
Muting
Control
Playback
Amplifier
Dolby
El&
C
Type
D.oder
DL
I
H.F.
Generator
Control
$
4
.Iteor
Edit
Select.
Dolby
NR
Sel.tor
Tape
Sekscor
(*25
V)
15V
22V
(*27V)
(*12V)
Tape
Speed
Selector
5V
t
Feen,
Delay
DC
Pow.Supply
—18V
12V
*5
V
0
16
Volt
0
*5
Volt
0
+14
Volt
(1)
VU-Meter
er
=I
Phones
A
Over
Current
Protector
230
(115)
V-
0
*5
V
0
18V
00-12
V)
0
.15
V
0
Power
Delay
>
To
p
C
c
ra
i
rro
.
I
0
Muting
0
Rec.
Mute
0
Ren.
0
Rec.Sefety
0
Music
Finder
Signet
0
Edit
To
Amplifier
P.C.B
11