EasyManua.ls Logo

Ducar DG7750 - Page 22

Default Icon
25 pages
Print Icon
To Next Page IconTo Next Page
To Next Page IconTo Next Page
To Previous Page IconTo Previous Page
To Previous Page IconTo Previous Page
Loading...
A
V
R
M
+
-
22
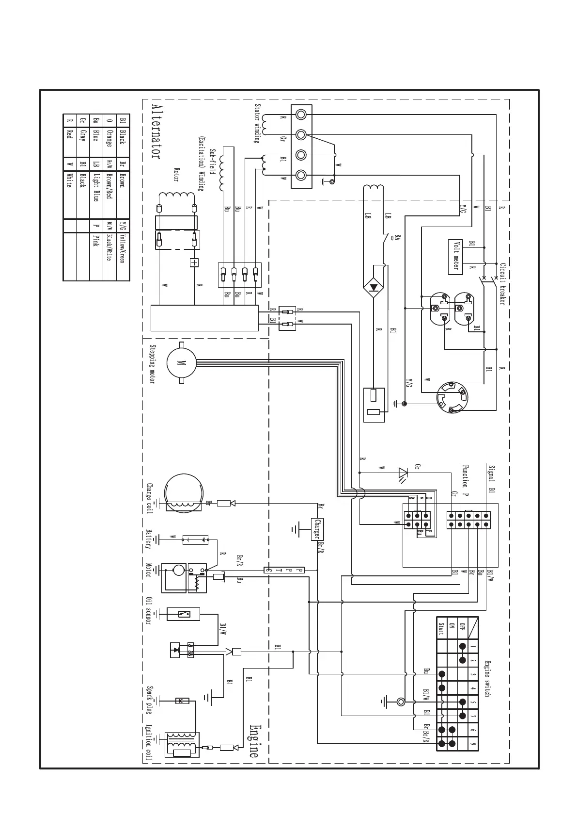
Remote Start schematic diagram

Related product manuals