EasyManua.ls Logo

Dynamic Dynamix 160 V2 - Page 11

Dynamic Dynamix 160 V2
12 pages
Print Icon
To Next Page IconTo Next Page
To Next Page IconTo Next Page
To Previous Page IconTo Previous Page
To Previous Page IconTo Previous Page
Loading...
page 11
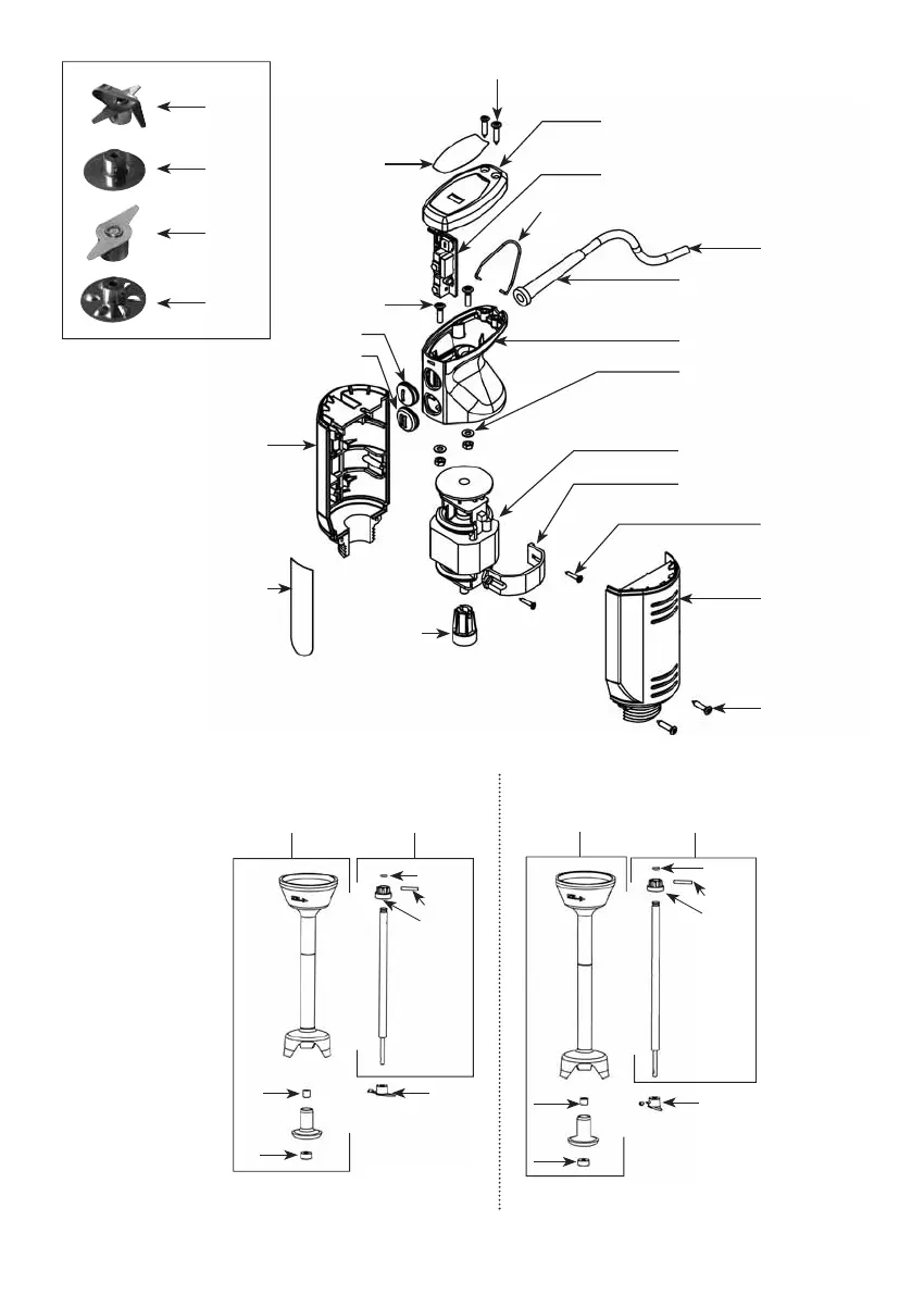
2845.XL
2857
2859
0744
2860
0551
0637
0632
Pied Dynamix 190
2859
0744
2860
0551
0637
0632
2845 2844
Pied Dynamix 160
079958 (x2)
079958 (x2)
2843
2843.B
2842.2
2842.1
2842
2851.3
0989
28401.B
2840
2841
2852.3
2852.4
2852.2
2851.2
2850
2855 (x2)
2854
2847.2
2847.1
2847
45710.1
45710.2
2863
2863.1
2863.2
2850
2849
2848.3
2849.B
2846
2848.4
0551
0550
0553
0552

Related product manuals