EasyManua.ls Logo

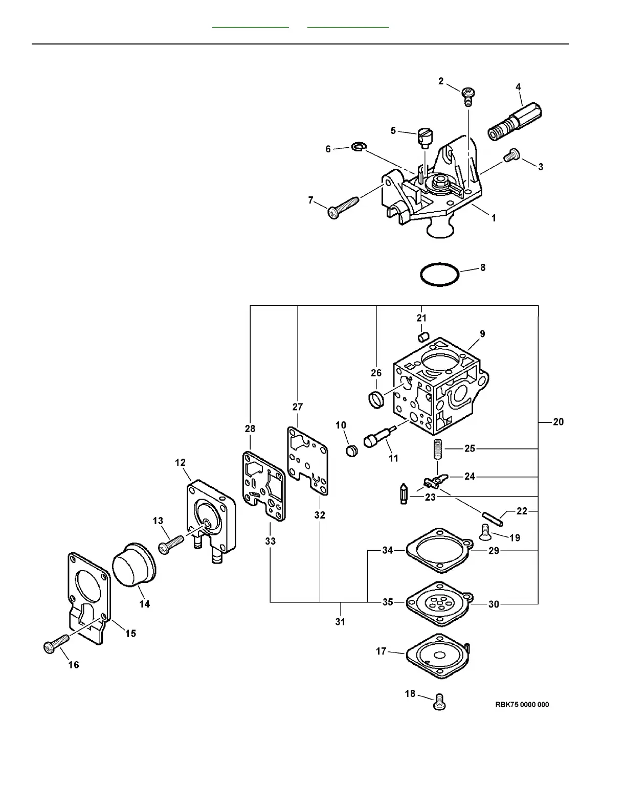
Echo GT-200R - PARTS CATALOG SERIAL NUMBER S72612001001 - S72612999999 - Carburetor - RB-K75

Echo GT-200R - PARTS CATALOG SERIAL NUMBER S72612001001 - S72612999999
44 pages
To Next Page IconTo Next Page
To Next Page IconTo Next Page
To Previous Page IconTo Previous Page
To Previous Page IconTo Previous Page
Loading...
99922203366_200R/12 - 14 - REVISED 06/04/07
Table of Contents Part Number Index
GT-200R Trimmer Carburetor -- RB-K75

Related product manuals