EasyManua.ls Logo

Echo GT-225 - PARTS CATALOG SERIAL NUMBER S09911001001 - S09911999999

Echo GT-225 - PARTS CATALOG SERIAL NUMBER S09911001001 - S09911999999
44 pages
To Next Page IconTo Next Page
To Next Page IconTo Next Page
To Previous Page IconTo Previous Page
To Previous Page IconTo Previous Page
Loading...
99922200788 - 18 - REVISED 04/22/09
Table of Contents Part Number Index
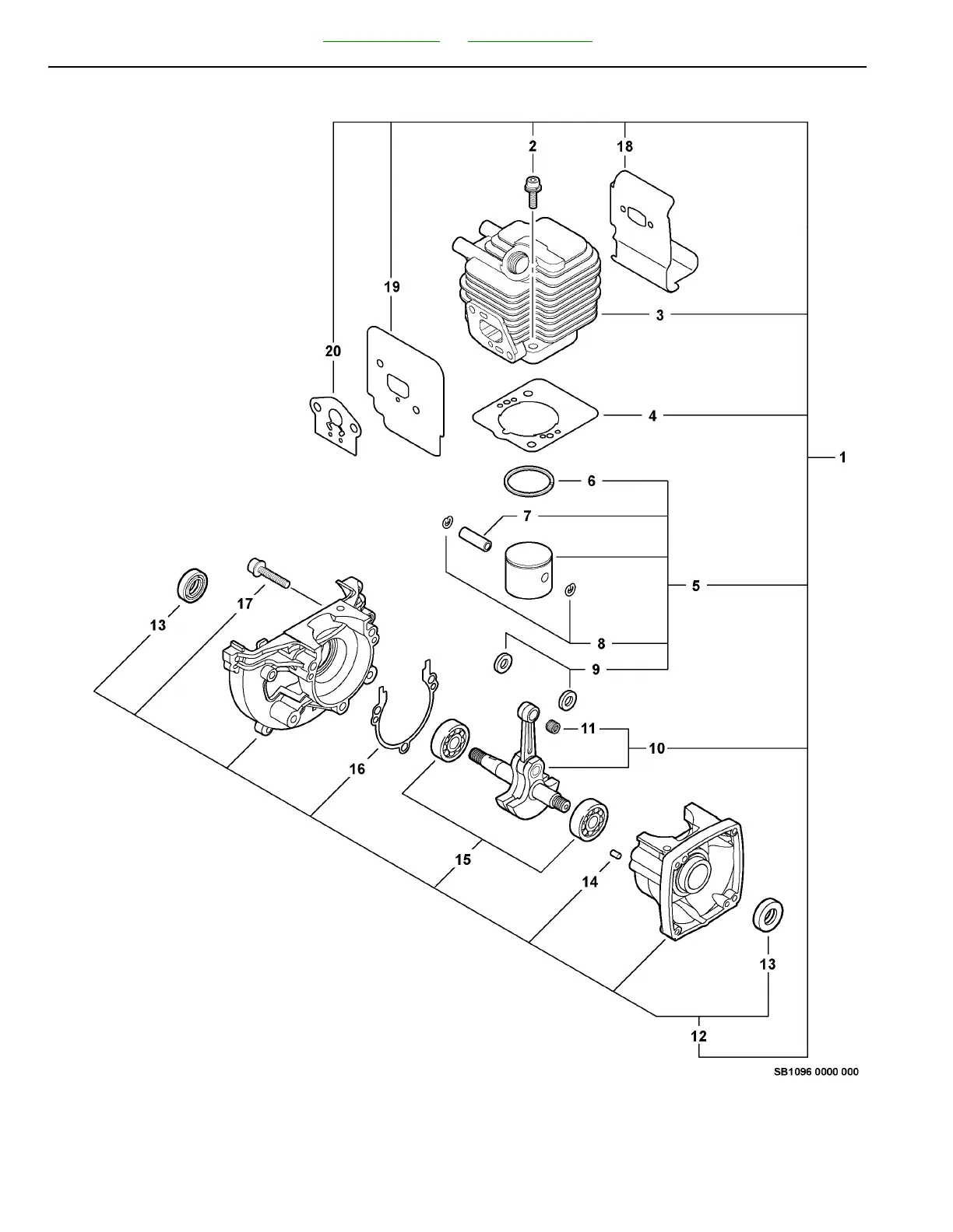
GT-225 Trimmer Engine, Short Block -- SB1096

Related product manuals