EasyManua.ls Logo

ECLAIR Coutant - Page 20

Default Icon
32 pages
Print Icon
To Next Page IconTo Next Page
To Next Page IconTo Next Page
To Previous Page IconTo Previous Page
To Previous Page IconTo Previous Page
Loading...



2
C

@
I

3
 
+
4
I
0�

G

 
1 A.


 

j
   
N
   

R5 -C
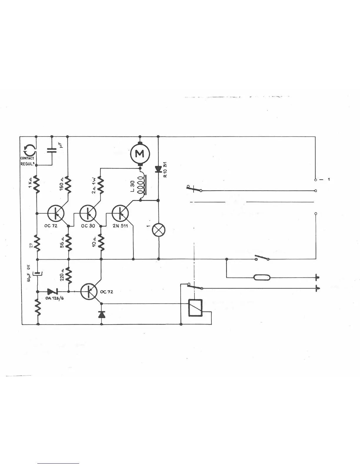
SCHEMA
1
DRAWING CIR 891
ZEICHNUNG

Related product manuals