EasyManua.ls Logo

Einhell Global EX-G 125 E - Page 28

Default Icon
Print Icon
To Next Page IconTo Next Page
To Next Page IconTo Next Page
To Previous Page IconTo Previous Page
To Previous Page IconTo Previous Page
Loading...
28
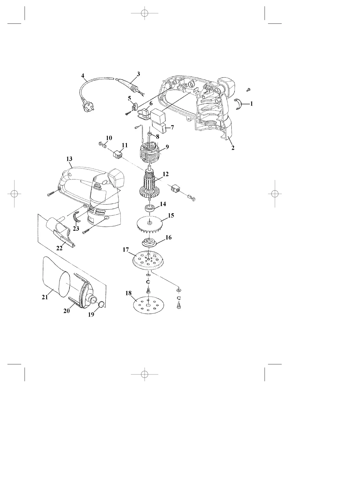
Ersatzteilzeichnung EX-G 125 E Art.-Nr.: 44.622.50 I.-Nr.: 91018
Anleitung EX-G 125E -12sp 24.02.2000 16:45 Uhr Seite 28