EasyManua.ls Logo

EINHELL ESS 9000-T - Page 6

EINHELL ESS 9000-T
12 pages
Print Icon
To Next Page IconTo Next Page
To Next Page IconTo Next Page
To Previous Page IconTo Previous Page
To Previous Page IconTo Previous Page
Loading...
6
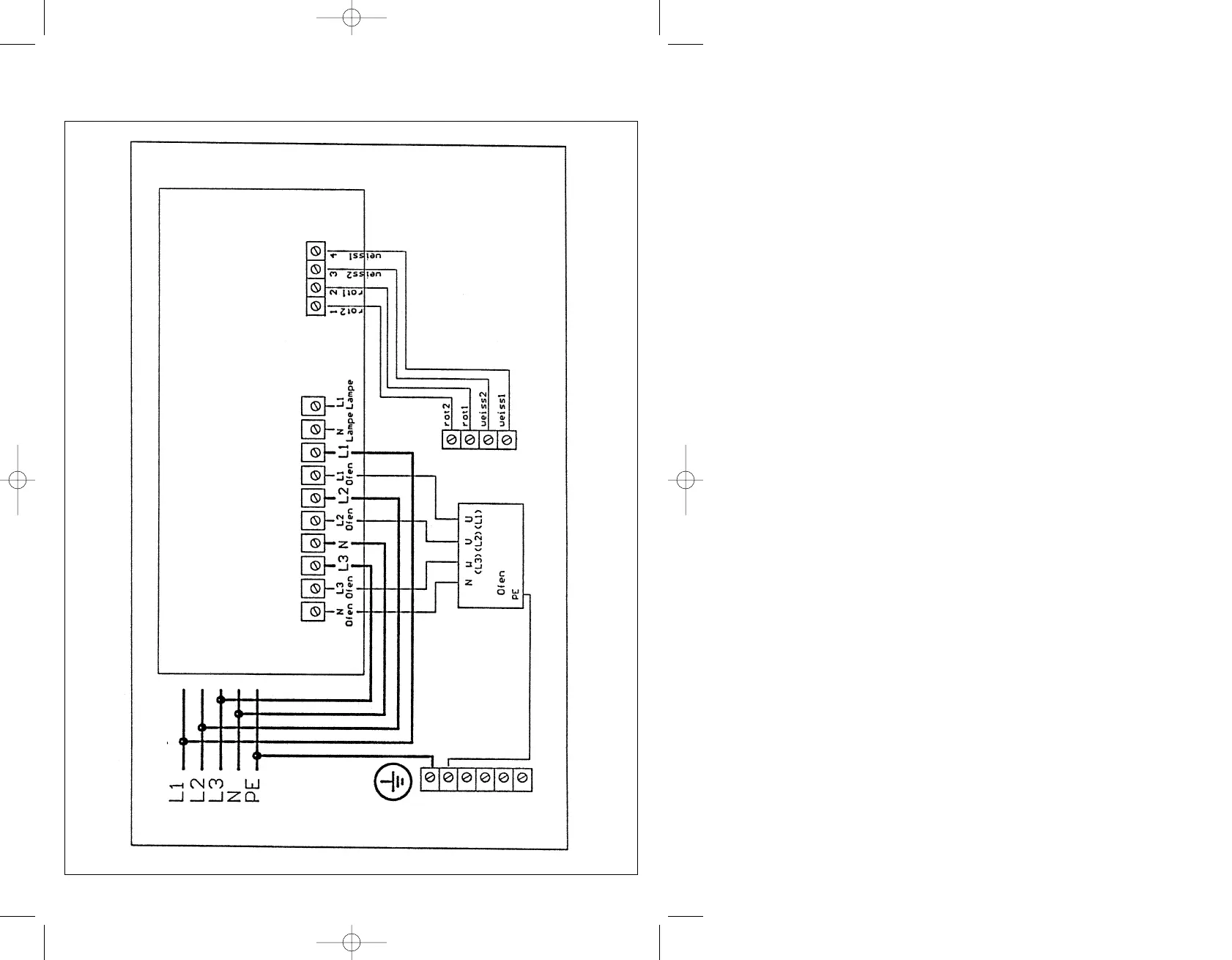
Terminal diagram for 7.5 kW and 9 kW heaters
incoming cable 400 V
temperature sensor
Ofen = heater
Lampe = lamp
rot = red
weiss = white
Anleitung ESS 9000-T_GB 24.10.2001 10:04 Uhr Seite 6