EasyManua.ls Logo

Elcold UNI - Page 17

Elcold UNI
18 pages
Print Icon
To Next Page IconTo Next Page
To Next Page IconTo Next Page
To Previous Page IconTo Previous Page
To Previous Page IconTo Previous Page
Loading...
User Instructions Low Temperature Freezers Model UNI/LT
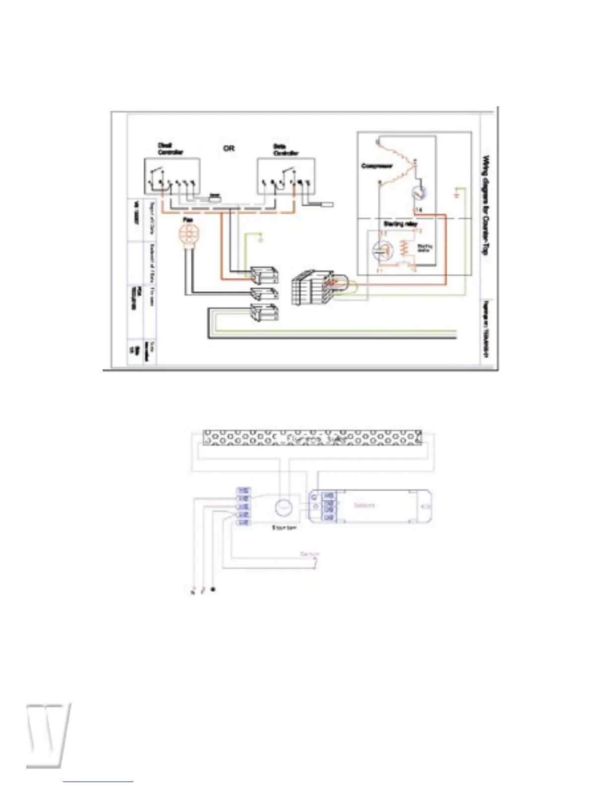
Wiring diagrams
Power
supply
115V
60 HZ
Censor
16

Related product manuals