EasyManua.ls Logo

Electra EMF 615M BK - Page 33

Electra EMF 615M BK
Print Icon
To Next Page IconTo Next Page
To Next Page IconTo Next Page
To Previous Page IconTo Previous Page
To Previous Page IconTo Previous Page
Loading...
PART 4: USING THE OVEN
4.1 CONTROL PANELS
Oven Function
Control Knob
Timer
Oven Thermostat Knob
Built_in Oven
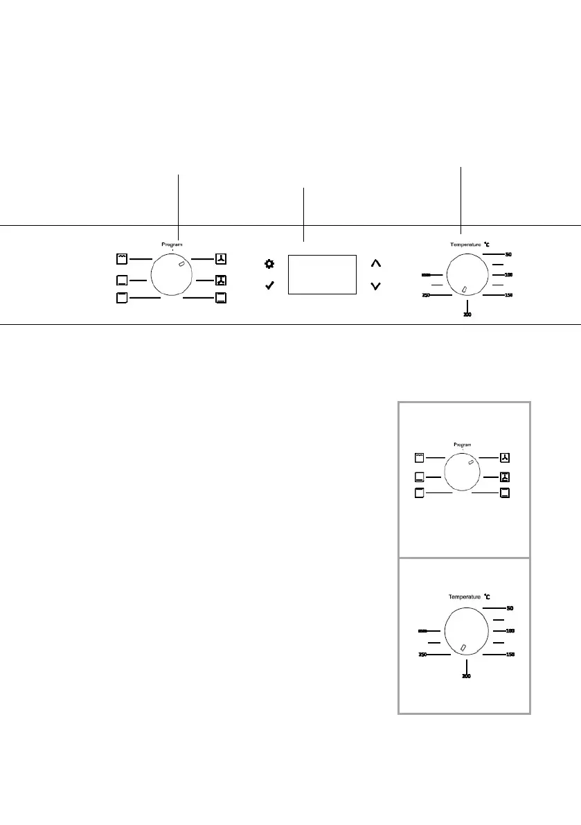
Oven Function Control Knob:
To select the desired cooking function, turn the knob
to the related symbol(Figure 3). the details of the oven
functions have been explained in next part.
Oven Thermostat Knob:
After cooking function set, desired temperature can
be adjusted by oven thermostat knob (Figure 4) and
oven start to operate (timer must be adjusted, if
available).
Figure 3
Figure 4

Related product manuals