EasyManua.ls Logo

ELECTROCOMPANIET ECD1 - Connecting Audio Components Diagram

ELECTROCOMPANIET ECD1
12 pages
Print Icon
To Next Page IconTo Next Page
To Next Page IconTo Next Page
To Previous Page IconTo Previous Page
To Previous Page IconTo Previous Page
Loading...
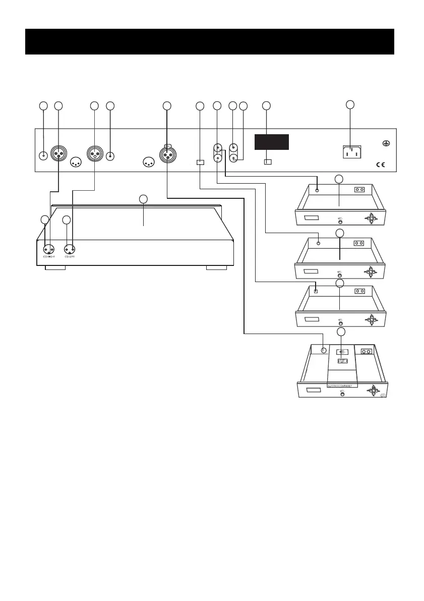
8
1. Single ended right output RCA
2. Balanced right output XLR
3. Balanced left output XLR
4. Single ended left output RCA
5. Dig.1 input XLR (AES/EBU)
6. Dig.2 input OPTICAL (TOSLINK)
7. Dig.3, 4 input RCA (S/PDIF)
8. Dig. output RCA (S/PDIF)
9. For service use only
10. Dig. output OPTICAL (TOSLINK)
11. Main AC inlet
12. Balanced Preamplifier/Integrated Amplifier
13. Balanced right input XLR
14. Balanced left input XLR
15. Digital Versatile Disc player (DVD)
16. Laser Disc player (LD)
17. Digital Audio Tape player (DAT)
18. Compact Disc player (CD)
Connecting the audio components Balanced
RIGHT
12
3
may cause electric shock.
The removal of the top cover
No user serviceable
parts inside. Refer to
authorized service
personnel.
Do not expose to
moisture or rain.
CAUTION:
ELECTROCOMPANIET, NORWAY
MANUFACTURED BY:
DIG OUT
DIG 1 DIG 2
DIG 3LEFT
OUTPUT
12
3
1 = GND
2 = +
3 =
--
DIG 4
TEST
DIG OUT
TYPE ECD1
1
2
3
4
5
6
8
9
10
11
7
12
18
17
16
15
14
13

Related product manuals