EasyManua.ls Logo

Electrolux GLMV169DB - Page 12

Electrolux GLMV169DB
52 pages
Print Icon
To Next Page IconTo Next Page
To Next Page IconTo Next Page
To Previous Page IconTo Previous Page
To Previous Page IconTo Previous Page
Loading...
10
GLMV169DB
GLMV169DQ
GLMV169DS
PLMV169DC
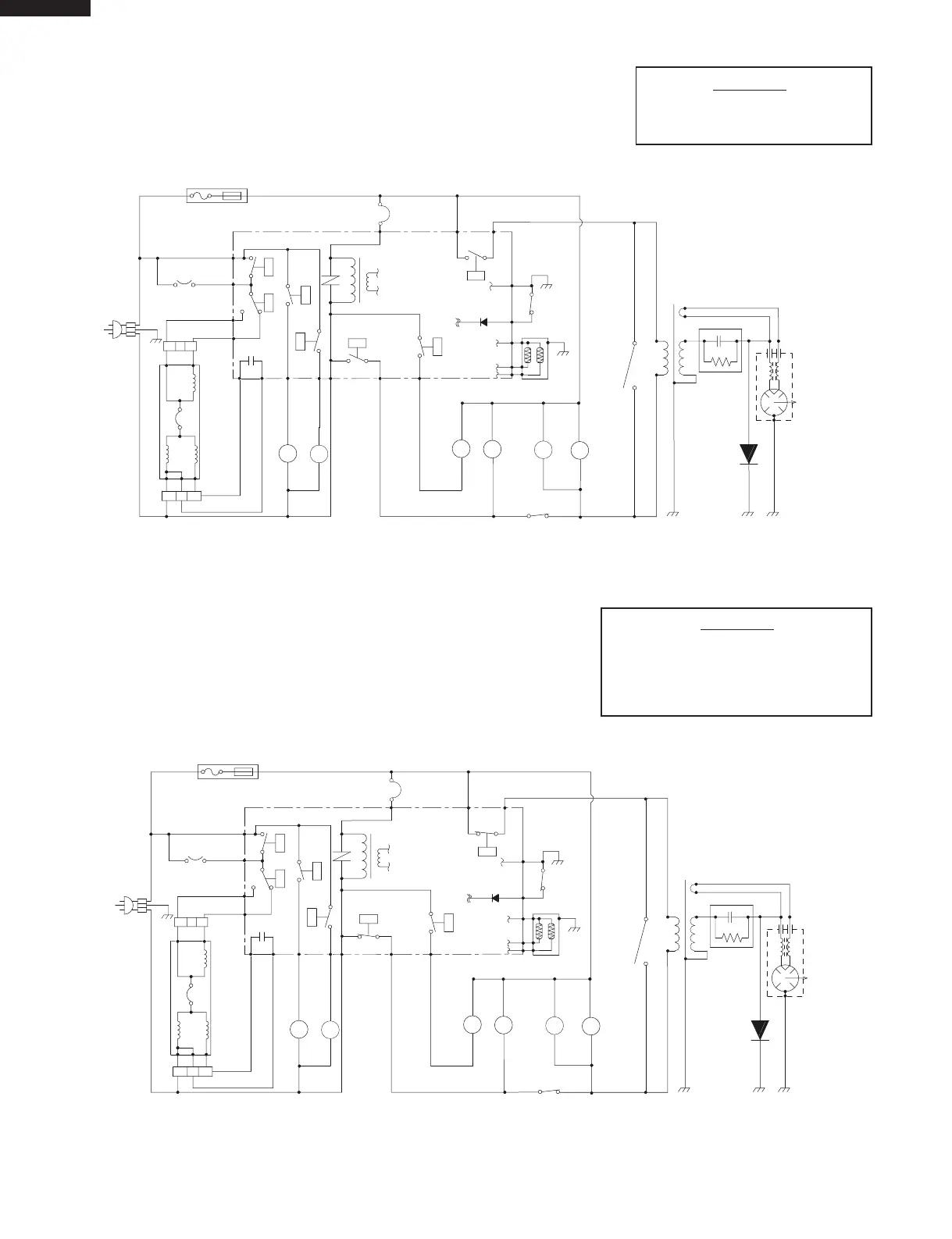
SCHEMATIC
NOTE: CONDITION OF OVEN
1. DOOR CLOSED
2. COOKING TIME PROGRAMMED
3. VARIABLE COOKING CONTROL "HIGH"
4. "START" PAD TOUCHED
Figure O-2. Oven Schematic-Cooking Condition
Figure O-1. Oven Schematic-Off Condition
SCHEMATIC
NOTE: CONDITION OF OVEN
1. DOOR CLOSED
2. CLOCK APPEARS ON DISPLAY
RY3
RY4
RY5
A7
WHT
SWITCH
INTERLOCK
PRIMARY
BLU
RED
HOOD
NC
BLK
WHT
CUT OUT
THERMAL
HOOD FAN
BLK
YLW
RED
BLK
A9
CAPACITOR
A3
CONTROL UNIT
A5
HL
HL
LAMP
HOOD
FAN
MOTOR
STM
120VAC
60Hz
MOTOR
HOOD
A1
GND
B1
C5
B3
RY6
OL
LAMP
OVEN
FM
N.O.
WHT
GRY
BLK
GRN
BLK
WHT
OVEN THERMAL
CUT OUT
BLU
High
Low
WHT
WHT
BLU
LAMP
OVEN
RELAY
COM N.O.
RED
RED
WHT
WHT
ORG
PPL
WHT
WHT
GRY
RY1
COM.
BLK
WHT
WHT
BLK
ORG
C3
YLW
RED
BLU
TTM
RY7
RY2
BLK
ORG
RED
ORG
WHT
RED
BLK
WHT
ORG
RED
MAGNETRON
COMN.O.
POWER
TRANSFORMER
COM
N.C.
WHT WHT
HIGH
VOLTAGE
CAPACITOR
COM.
BLU
MONITOR
SWITCH
HIGH
VOLTAGE
RECTIFIER
STOP
E2
E1
GRN
BLK
SWITCH
F3
F2
F1
HUMIDITY
SENSOR
RED
BLK
BLK
FUSE
C/T
ORG
C1
BLK
RED
BLK
WHT
WHT
SECONDARY
INTERLOCK
RELAY
TURN-TABLE
MOTOR
RELAY
TABLE
TURN-
MOTOR
STIRRER
MOTOR
BLU
YLW
RED
RY3
RY4
RY5
A7
WHT
SWITCH
INTERLOCK
PRIMARY
BLU
RED
HOOD
NC
BLK
WHT
CUT OUT
THERMAL
HOOD FAN
BLK
YLW
RED
BLK
A9
CAPACITOR
A3
CONTROL UNIT
A5
HL
HL
LAMP
HOOD
FAN
MOTOR
STM
120VAC
60Hz
MOTOR
HOOD
A1
GND
B1
C5
B3
RY6
OL
LAMP
OVEN
FM
N.O.
WHT
GRY
BLK
GRN
BLK
WHT
OVEN THERMAL
CUT OUT
BLU
High
Low
WHT
WHT
BLU
LAMP
OVEN
RELAY
COM N.O.
RED
RED
WHT
WHT
ORG
PPL
WHT
WHT
GRY
RY1
COM.
BLK
WHT
WHT
BLK
ORG
C3
YLW
RED
BLU
TTM
RY7
RY2
BLK
ORG
RED
ORG
WHT
RED
BLK
WHT
ORG
RED
MAGNETRON
COMN.O.
POWER
TRANSFORMER
COM
N.C.
WHT WHT
HIGH
VOLTAGE
CAPACITOR
COM.
BLU
MONITOR
SWITCH
HIGH
VOLTAGE
RECTIFIER
STOP
E2
E1
GRN
BLK
SWITCH
F3
F2
F1
HUMIDITY
SENSOR
RED
BLK
BLK
FUSE
C/T
ORG
C1
BLK
RED
BLK
WHT
WHT
SECONDARY
INTERLOCK
RELAY
TURN-TABLE
MOTOR
RELAY
TABLE
TURN-
MOTOR
STIRRER
MOTOR
BLU
YLW
RED

Related product manuals