EasyManua.ls Logo

Endless Pools FastLane - Page 37

Endless Pools FastLane
48 pages
Print Icon
To Next Page IconTo Next Page
To Next Page IconTo Next Page
To Previous Page IconTo Previous Page
To Previous Page IconTo Previous Page
Loading...
Fastlane
®
Swim Unit Installation Fastlane
®
Swim Unit Installation
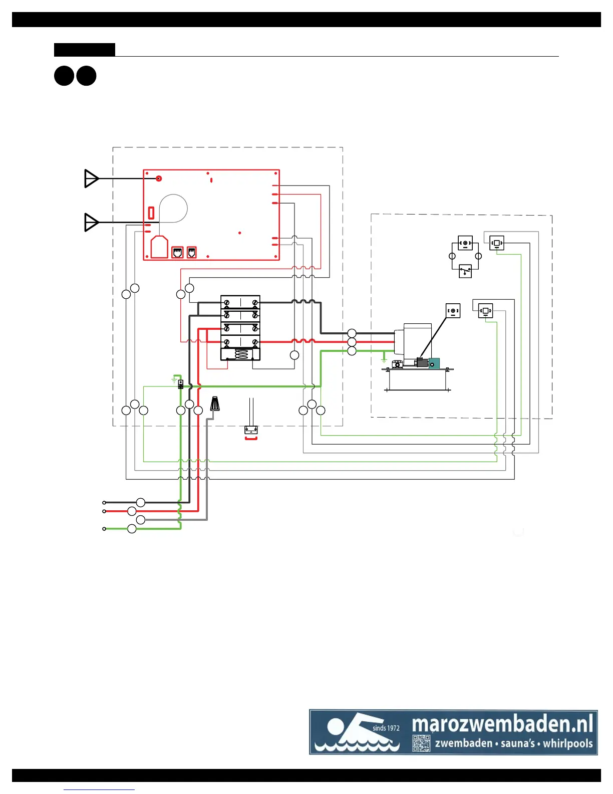
Section 11A ELECTRICAL REQUIREMENTS FOR THE UNITED STATES (60HZ)
(and countries with similar electrical requirements)
A Ground Fault Circuit Interrupter (GFCI) is required for this product. A GFCI is a device that shuts off
an electrical circuit when it detects that electricity is owing along an unintended path. The path could be
through a person or water. The purpose of this device is to reduce the chance of electrical shock. The Hy-
draulic Power Unit requires one single phase 220v 30amp GFCI protected service. All connections should
be made by a licensed electrician.
G/y
B
B
R
G/y
R
G/y
B
W
B
R
W
B
W
B
G/y
B
W
B
R
G/y
Ground
EP3 CONTROLLER
Line 2
Line 1
HYDRAULIC POWER UNIT
Proportional
Valve
Hydraulic
Power Unit
(HPU)
SOL +
SOL -
(NEUTRAL)
LINE 2 IN
AUX
SWITCHED OUT
OIL SIG -
OIL SIG +
LINE 1 IN
ANT1 LEARN
DISPLAY
WB
Float
Level
Switch
on HPU
WIFI
Contactor
1
L1 NO
3R1 NC
2T1
4 R2
6 R4
8 T3
7 L3 NO
5 R3 NC
A2
A1
Single
Phase
Input
LEARN SW
Ground
Neutral
Line 2
Line 1
RF
A
ntenna
Wifi
A
ntenna
GND
36
D
W

Other manuals for Endless Pools FastLane

Related product manuals