EasyManua.ls Logo

Epson EB-E20 - Projector Connections

Epson EB-E20
190 pages
Print Icon
To Next Page IconTo Next Page
To Next Page IconTo Next Page
To Previous Page IconTo Previous Page
To Previous Page IconTo Previous Page
Loading...
EB-E01 series Product Description INTERNAL USE ONLY
SEIKO EPSON 27 Revision A
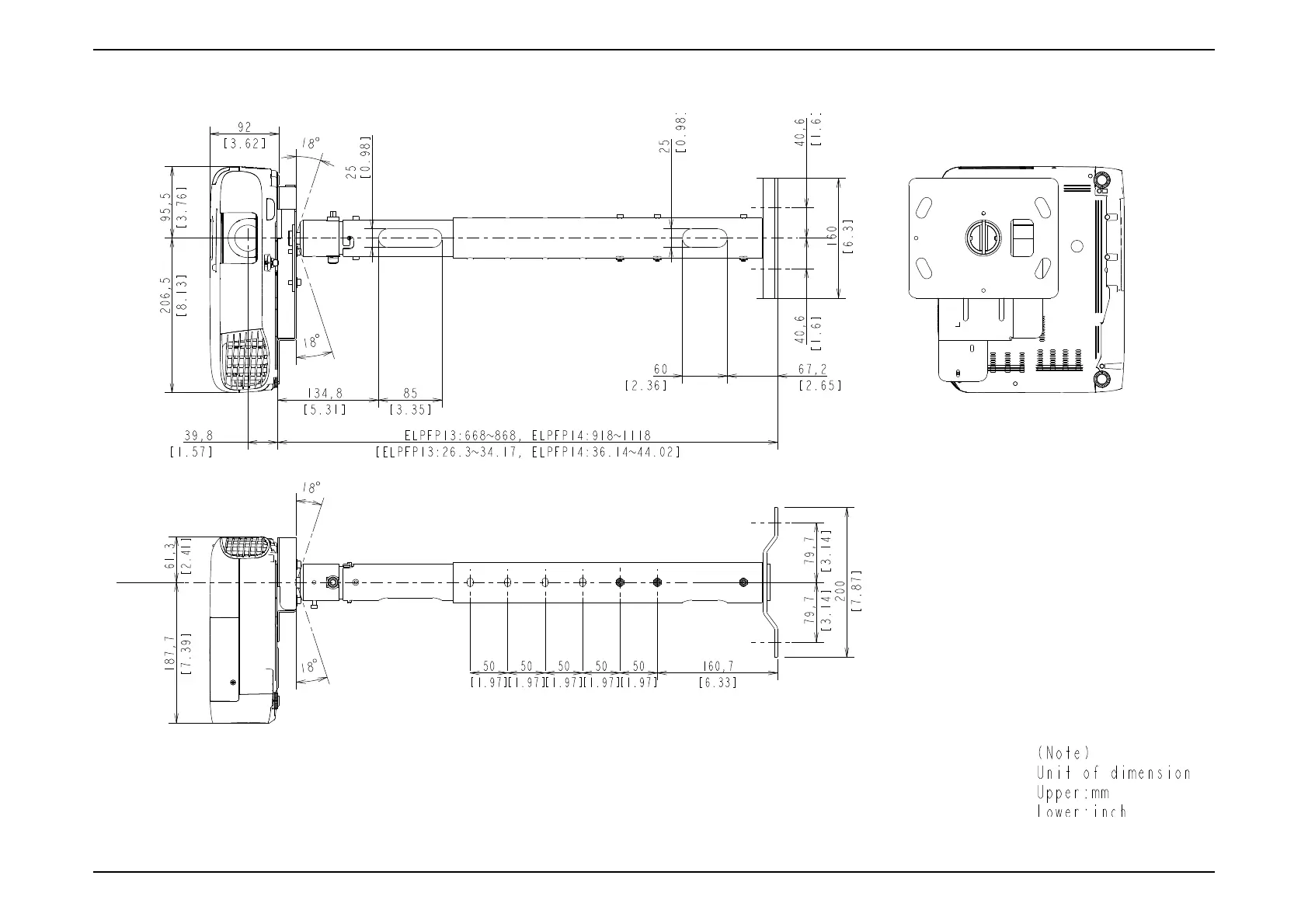
EB-FH06/E20/X49/W49/118, PL 119W, EH-TW740/TW750 (ELPMB23 + ELPFP13/ELPFP14)

Table of Contents

Other manuals for Epson EB-E20

Related product manuals