EasyManua.ls Logo

Epson LQ-510 - Sla7020 M (2 B

Epson LQ-510
226 pages
To Next Page IconTo Next Page
To Next Page IconTo Next Page
To Previous Page IconTo Previous Page
To Previous Page IconTo Previous Page
Loading...
REV.-A
APPENDIX
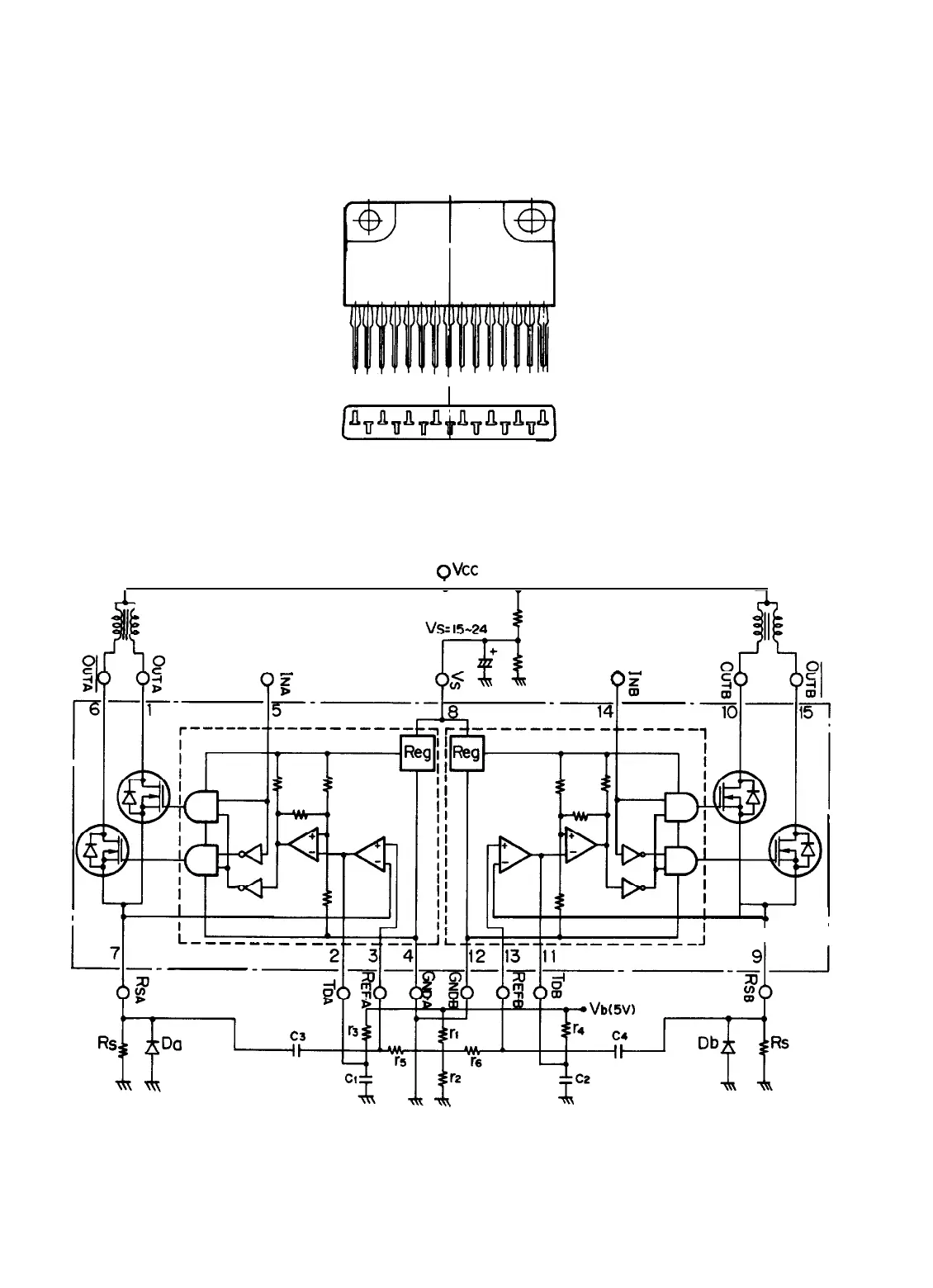
A.1 .1.5 SLA7020M (2B)
The SLA7020M is a two-circuit, 4-phase stepper motor driver for unipolar, constant current driving.
,n,n,ngn,n,n,
1 2 3 4 5 6 7 6 9 10 11 12 13 14 15
Figure A-10. SLA7020M Case Outline Drawing
QVCC
I
:
D
-
_-
I
i
Figure A-11. SLA7020M Functional Equivalent Circuit
LQ-510
A-11

Table of Contents

Other manuals for Epson LQ-510

Related product manuals