EasyManua.ls Logo

Epson LQ-510 - S-2940 I (4 B

Epson LQ-510
226 pages
To Next Page IconTo Next Page
To Next Page IconTo Next Page
To Previous Page IconTo Previous Page
To Previous Page IconTo Previous Page
Loading...
APPENDIX
REV.-A
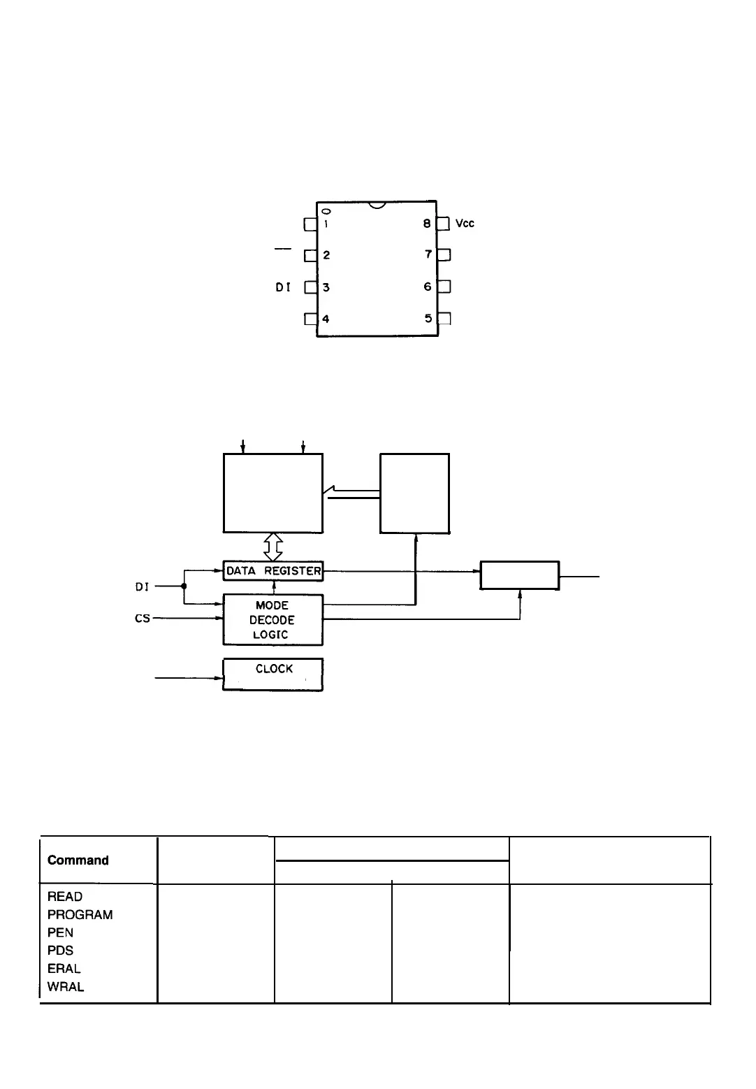
A.1.1.6 S-2940I (4B)
The S-2940I is a 16 x 8-bit EEPROM. The pin diagram is given in Figure A-12, and the block diagram in
Figure A-13; Table A-8 lists and describes the commands.
cs
-
SK
DI
DO
S2940
NC
NC
GND
Figure A-12. S-2940I Pin Diagram
vcc
GND
t
1
MEMORY
ARRAY
/
ADDRESS
16x8
DECODER
OUTPUT
BUFFER
t
-D0
SK
GENERATOR
Figure A-13.
S-2940I Block Diagram
Opcode
Table A-8. S-2940I Commands
Command Set
I
Address
Data
Function
1001
AAAA
0110
AAAA
0000
0000
1111
0000
1100
0000
0011
0000
D0-D7
D0-D7
-
-
-
-
READ ADDRESS
PROGRAM ADDRESS
PROGRAM ENABLE
PROGRAM DISABLE
ERASE ALL ADDRESS
PROGRAM ALL ADDRESS
A-12
LQ-510

Table of Contents

Other manuals for Epson LQ-510

Related product manuals