EasyManua.ls Logo

ESPRIT C6 ESP0032 - Page 4

ESPRIT C6 ESP0032
21 pages
Print Icon
To Next Page IconTo Next Page
To Next Page IconTo Next Page
To Previous Page IconTo Previous Page
To Previous Page IconTo Previous Page
Loading...
3
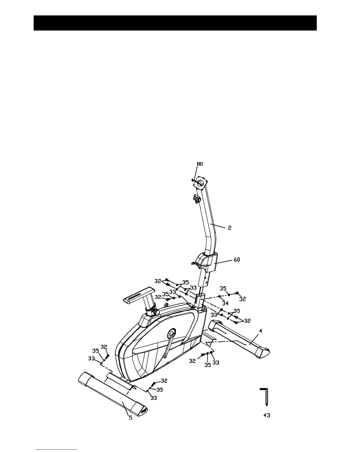
STEP 1:
1. Locate the Console Mast (2) and slide on the Console Mast Cover (60). Make sure
the cover is facing the correct direction, as shown below, before sliding onto mast.
Install the wiring harness (80) into the bottom of the mast and out the top. Be
careful when installing the console mast to the mainframe so as not to pinch or cut
the wiring harness, damage to the console may occur.
2. Install the console mast on the mainframe using the M5 Allen Wrench (68) to
tighten 5pcs of 5/16" × 3/4" Button Head Socket Bolts (32) , 4pcs of 5/16 Flat
Washers (33) , 5pcs of 5/16" Split Washers (35)and 1pcs of 5/16" Curved Washer
(34). Snap the Console Mast Cover (60) in place on the body of the bike.
3. Secure Front Stabilizer (4) and Rear Stabilizer (5) with 4pcs of 5/16” × 3/4” Button
Head Socket Bolts (32), 4pcs of 5/16" Split Washers (35) and 4pcs of 5/16” Flat
Washers (33) by using M5 Allen Wrench (43).
Assembly Instructions