EasyManua.ls Logo

ewoo EW-403 - Page 7

ewoo EW-403
11 pages
Print Icon
To Next Page IconTo Next Page
To Next Page IconTo Next Page
To Previous Page IconTo Previous Page
To Previous Page IconTo Previous Page
Loading...
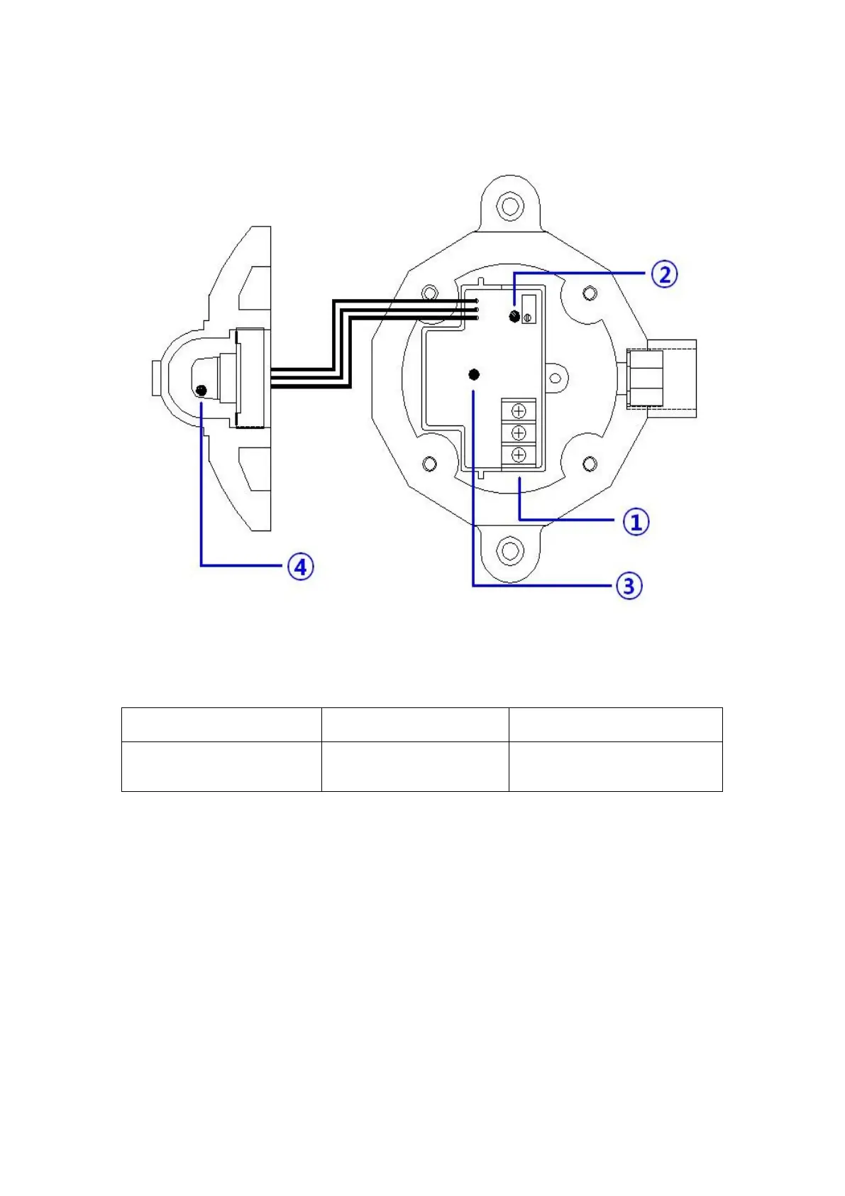
3-2. SENSOR
1
Connector (terminal block)
2
Zero calibration: We release the detector with it being set. Do not attempt to modify
3
Concentration light: The brightness of yellow light changes in proportion to the
Concentration of gas (eliminated in normal condition)
4
Power supply light: Green LED is lit while supplied with power
Blue (White) +
Brown (Black)-
Green (Wire of signal)
Power supply of sensor +
(DC 24V)
Power supply of sensor
(DC 24V GND)
Output of Sensor (4~20mA)